Качественные детали и логистика
Оригинальные и аналоговые запчасти с доставкой по России, Казахстану и Беларуси
©2022 PartSell ООО "Система" ИНН 2463123282 ОГРН 1212400004838
Центральный офис: г. Красноярск, Академика Киренского, д.87, пом.4
Телефон: 8 (800) 777-65-74 Email: zakaz@partsell.ru
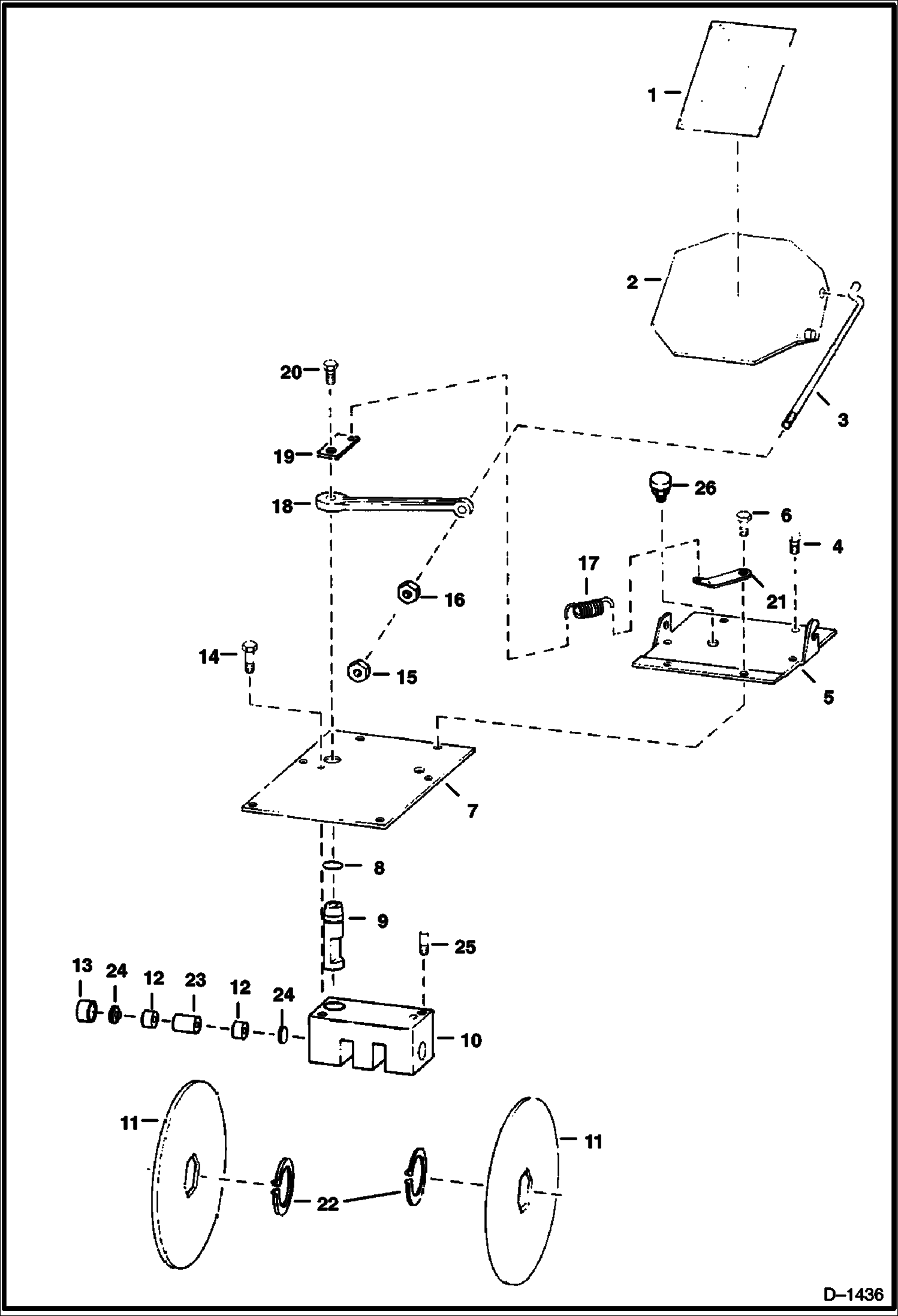
DISC BRAKE
№
Артикул
Название
Примечание
Количество
1
6553976
SAFETY TREAD 127 x 203 mm (5 x 8'')
2
6563187
PEDAL
3
6554084
ROD
4
84G3712
BOLT 5
5
6575654
COVER Was 6554093 - Also Order Ref. 26 - A
6
84G3716
SCREW 5
7
6558467
COVER
8
25K30100
O RING 10
9
PIN NLA - Was 6559216 - A
6562755
PIN
10
6559800
BLOCK
6562757
11
6559237
DISC
12
6558659
PAD
13
6559323
SPACER
14
17C812
BOLT
15
85D8
NUT, 5
16
6564669
NUT, 10 Was 6519169 - A
17
6584584
SPRING Was 6505076 - A
18
6563823
LEVER
19
6559217
BAR
20
17C816
21
6559218
ANGLE
22
742666
SNAP RING
23
6558660
24
6562756
WASHER wear
25
784466
DOWEL PIN
26
6632601
BREATHER
Выбрано товаров: 0