Запчасти Bobcat 700s OPERATOR CAB (S/N 19999 & Below) MAIN FRAME

Схема запчастей Bobcat 700s - OPERATOR CAB (S/N 19999 & Below) MAIN FRAME
FIT
1:1
100%

Артикул

Название

Примечание

Количество

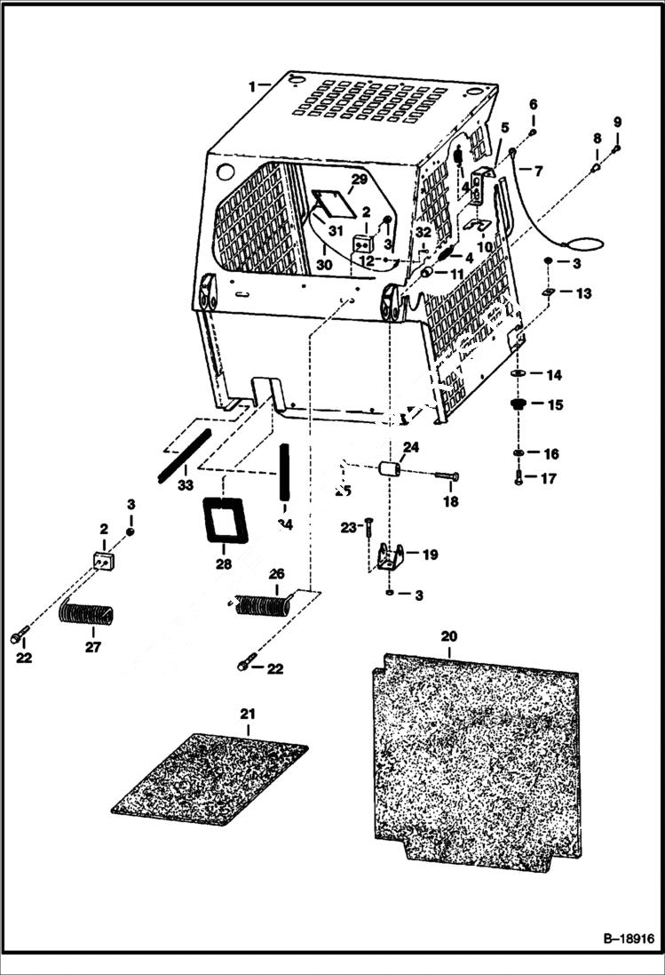
1

CAB See BTI245 NLA

2

6563722

BLOCK

3

59D8

NUT 5 Was 59D000008B - B

4

6563128

SPRING

5

6563127

LEVER

6

6513733

RIVET

7

6563129

CABLE

8

6563156

SLEEVE

9

6630207

RIVET 5 Was 6512797 - A

10

17EM100

WASHER Was 6564596 - A

11

6562683

TUBE

12

61D5

NUT

13

6553709

WASHER

14

6543321

WASHER

15

6560633

DAMPENER shock

16

6515817

WASHER

17

17C840

BOLT

18

17C1056

BOLT

19

6562232

MOUNT

20

INSULATION NLA - seat back - W/O vinyl pouch - Was 6563125 - A

20

6568271

INSULATION seat back - Was 6567826 - A

21

INSULATION NLA - seat pan - Was 6563124 - A

21

6564688

INSULATION seal pan

22

31C824

BOLT 10

23

17C824

BOLT 5

24

6562602

BUSHING

25

85D10

NUT, 5

26

6562688

SPRING

27

6562687

SPRING

28

6562804

SEAL

29

6567795

HANDBOOK, OPERATOR'S W/WIRE ROPE

29

6567692

KIT handbook - 4 Language - W/Ref. 30 & 31

30

6558309

WIRE ROPE bulk - sold per foot - Also Order (2) of 6558310 sleeve - Was 6558305 - A

31

6558310

SLEEVE

32

10C512

BOLT Was 6553808 - A

33

6555351

SEAL bulk - sold per foot

34

6513152

SEAL bulk - sold per foot

Выбрано товаров: 37