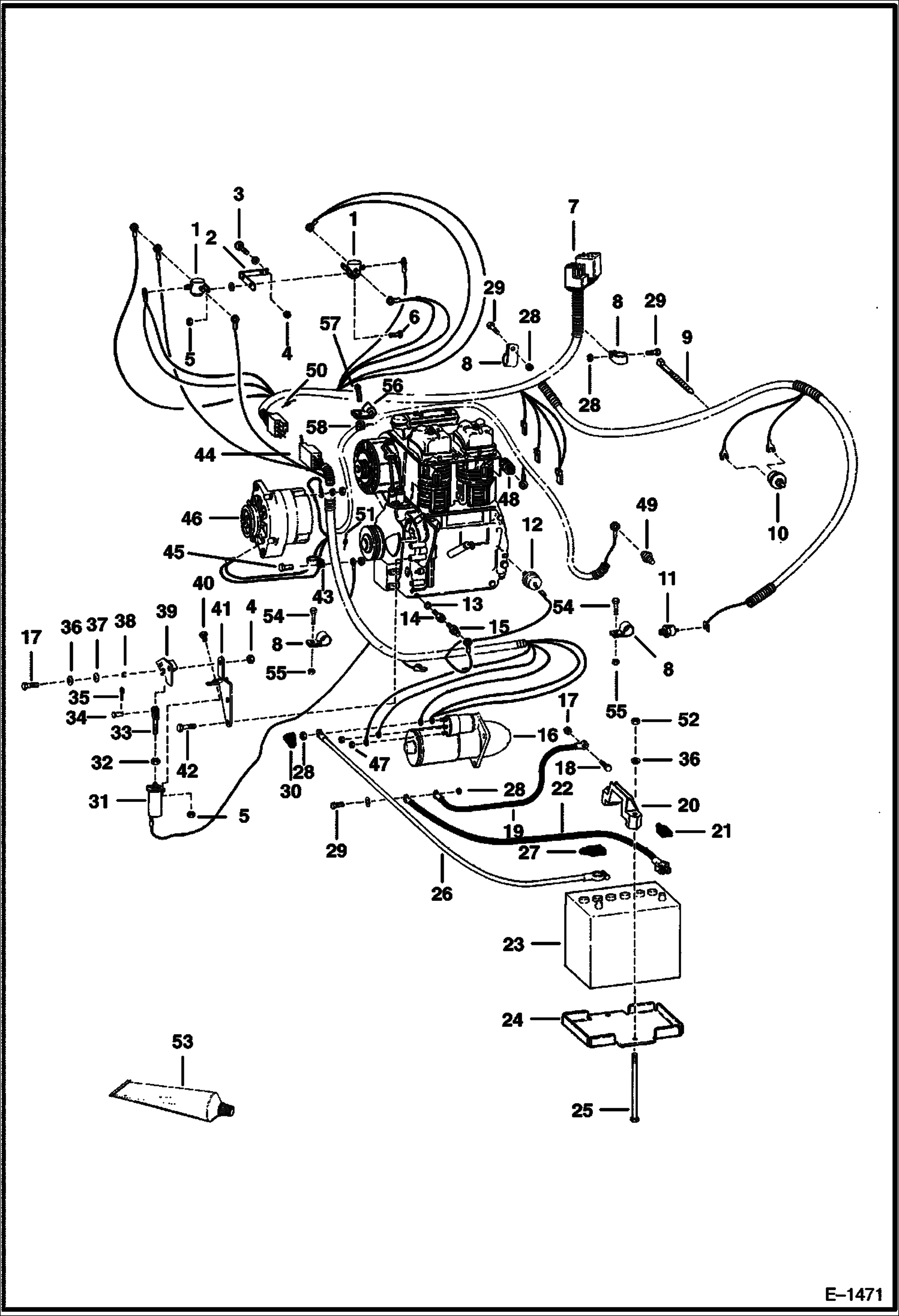
Запчасти Bobcat 700s ENGINE ELECTRICAL CIRCUITRY (S/N 11887 & Above) ELECTRICAL SYSTEM

Схема запчастей Bobcat 700s - ENGINE ELECTRICAL CIRCUITRY (S/N 11887 & Above) ELECTRICAL SYSTEM
FIT
1:1
100%

Артикул

Название

Примечание

Количество

1

6659319

SOLENOID Was 6635186 - A

2

6563483

BRACKET

3

7C512

SCREW

4

85D5

NUT 5

5

61D4

NUT 5

6

17C412

BOLT 5

7

6564908

HARNESS

7

6565639

HARNESS

8

30H42

CLAMP

9

6599701

CLAMP

10

6671062

SWITCH hydro. pressure - Was 6664577 - A

11

6632633

SWITCH hyd temp - Was 6564560 - A

12

6513890

SWITCH engine oil pressure

13

2FM12155

WASHER sealing

14

6565941

ADAPTER

15

SWITCH See BTI259 NLA - eng. temp.

15

6658818

SENDER See BTI259 eng temp - threaded connector

16

STARTER See Illustration STARTER/ B18157 See Illustration STARTER/ D1762 See Illustration STARTER/ B18158

17

17C512

BOLT 5

18

83D5

NUT 5

19

6563025

CABLE

20

6569203

CLAMP

21

6599652

BOOT

22

6553094

CABLE Was 6562905 - A

23

6665032

BATTERY, DRY 700 AMP Was 6665031 - A

23

6630153

BATTERY CAP

24

6561733

MOUNT

25

6569623

BOLT

26

6562904

CABLE

27

2356058

BOOT

28

61D6

NUT 5

28

4DM10

NUT

29

17C620

BOLT

30

6560172

COVER

31

6599638

SOLENOID

32

62D4

NUT

33

631551

YOKE

34

4F4051

PIN

35

1F212

PIN

36

25E15

WASHER

37

6512913

WASHER

38

6559845

BUSHING

39

6561078

LEVER

40

93G410

BOLT

41

6561055

MOUNT

42

1CM820

BOLT Was 4CM820 - A

43

30H41

CLIP

44

6565007

HARNESS

44

6567089

HARNESS

44

6571555

HARNESS For Bobcat Alt.

45

17C508

BOLT

46

ALTERNATOR See Illustration ALTERNATOR/ B18939 See Illustration ALTERNATOR/ C3312 See Illustration ALTERNATOR/ B18156 See Illustration ALTERNATOR/ B18939A

47

1DM6

NUT Use W/Delco Alternator - Was 4DM6 - A

48

6511720

PRE-HEATER

49

SWITCH See Illustration HYDROSTATIC OIL FILTER/ C2818 HYDRO. FILTER

50

3675725

DIODE

51

6565157

RESISTOR engine oil temp.

52

59D5

NUT 5

53

6599360

SEALANT, ELEC .3 OZ electrical - tube - 3 oz

54

35C620

BOLT 5

55

57D6

NUT 5

56

30H30

CLAMP

57

17C516

BOLT

58

61D5

NUT

Выбрано товаров: 64