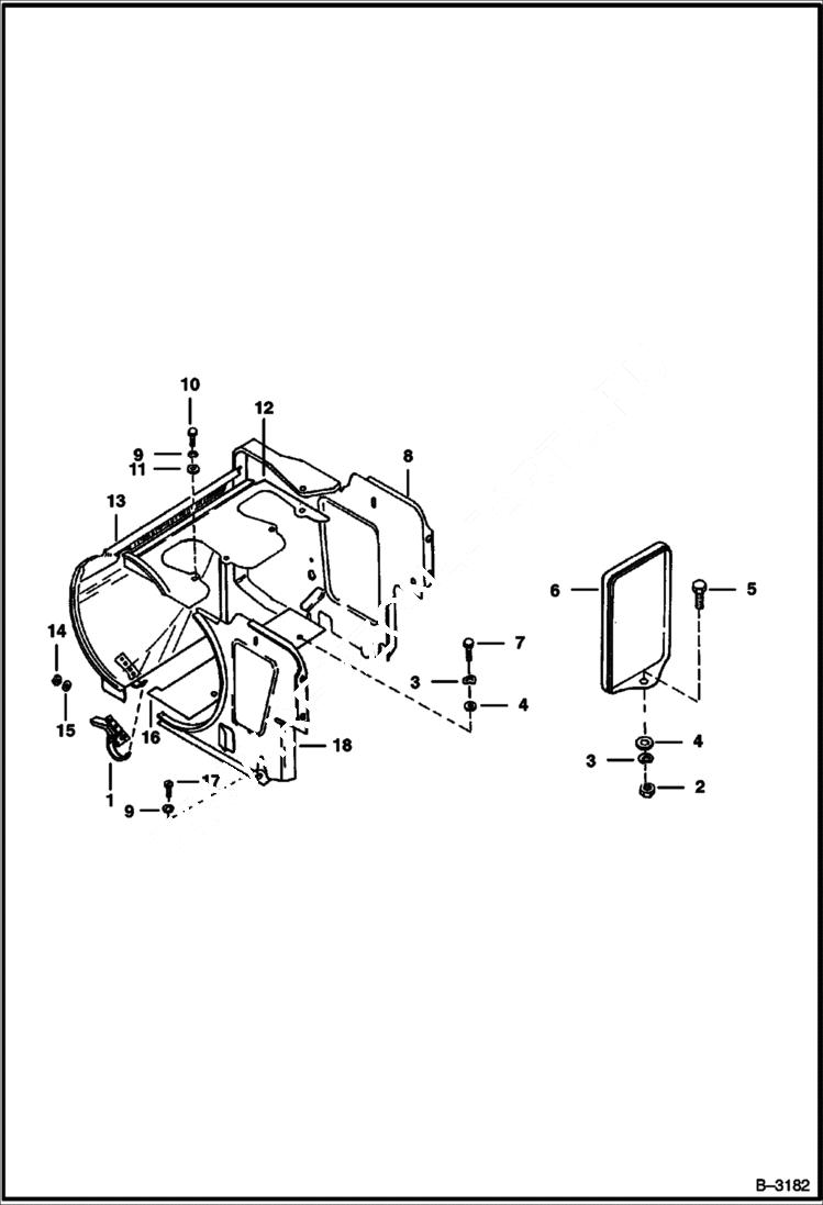
Запчасти Bobcat 700s AIR SHROUDING POWER UNIT

Схема запчастей Bobcat 700s - AIR SHROUDING POWER UNIT
FIT
1:1
100%

Артикул

Название

Примечание

Количество

1

6599447

FASTENER

2

1DM8

NUT

3

9EM80

WSHR PLTE

4

1EM80

WASHER

5

1CM818

BOLT Was 4CM818 - A

6

6513869

SHIELD

7

1CM816

BOLT Was 4CM816 - A

8

6599443

SHIELD

9

9EM60

WASHER

10

1CM616

SCREW Was 4CM616 - A

11

6513741

WASHER

12

6513905

SHIELD

13

6513906

SHIELD

14

16DM6

NUT Was 6513908 - A

15

6513740

WASHER

16

6513907

SHIELD

17

13GM6010

SCREW

18

6513903

SHIELD

Выбрано товаров: 18