Запчасти Bobcat 700s CYLINDER BLOCK (Ford Engine) POWER UNIT

Схема запчастей Bobcat 700s - CYLINDER BLOCK (Ford Engine) POWER UNIT
FIT
1:1
100%

Артикул

Название

Примечание

Количество

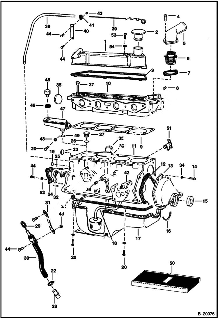
1

COVER NLA - rocker arm - Was 6512476 - A

2

6512494

CAP rocker arm cover

3

6512477

GASKET rocker arm cover

4

35C516

BOLT 10 Was 6554744 - A

5

OUTLET NLA - Was 6599699 - A

6

6512504

THERMOSTAT 195 degrees

7

6512505

GASKET

8

40K2

PLUG

9

6512401

GASKET head

10

HEAD See Illustration VALVE TRAIN/ B18350 NLA - ORDER 6630426 HEAD & 8 OF 6512474 SEAL

10

HEAD NLA - W/Valve Seats, Valve Guides & Soft Plug - Was 6630426 - A

11

6512397

SHORT BLOCK See Illustration ENGINE/ B18474

12

6512399

GASKET

13

6512398

COVER front

14

17C412

BOLT 5

15

6648209

SEAL Was 6512489 - A

16

SEAL NSS

17

OIL PAN NLA - Was 6512488 - A

18

6512482

TUBE oil pick up

19

6648189

PLUG Was 6512917 - A

20

17C408

BOLT

21

6669570

GASKET SET oil pan - W/Ref. 16 - Was NLA - A

22

42H6

HOSECLAM5

23

6598806

PLUG camshaft hole

24

RETAINER NLA - Was 6512450 - A

25

GASKET NLA - Was 6512451 - A

26

25K20026

O RING 10

27

6554834

PLUG

28

TUBE NLA - oil - Order Ref. 38-41, 43 & 44

29

DIPSTICK NLA - Order Ref. 38-41, 43 & 44

30

HOSE NLA - Order Ref. 38-41, 43 & 44

31

6555112

BRACKET

32

6512921

DOWEL

33

6669569

LINER Std. - Was 6657209 - A

33

LINER NLA - .020 O.D. & Std. I.D. - Was 6598907 - A

34

4E4

WASHER

35

PLUG NLA - Was 6512915 - A

36

16F2

PLUG Was 6512916 - A

37

BOLT NLA - head - Pkg. of 8 - Was 6512918 - A

37

BOLT NLA - head - Pkg. of 2 - Was 6512919 - A

38

TUBE NLA - Order 6564910, 6564911 & Ref. 40-43

38

6564911

TUBE

39

6564490

DIPSTICK

39

6564910

DIPSTICK

40

6564912

BRACKET

41

30H22

CLIP

42

6631010

SWITCH, PRESS OIL ENG eng. oil pressure

43

61D5

NUT

44

35C512

BOLT Was 31C000512B - A

45

BREATHER NLA - Was 6599445 - A

46

999873

SEAL

47

SEPARATOR NLA - oil - Was 6599607 - A

48

25E13

WASHER 5

49

58K016

O-RING 10

50

6567250

GASKET KIT Overhaul

50

GASKET KIT NLA - Valve Grind - Was 6564162 - A

51

6513679

VALVE

52

4E5

WASHER

53

89G410

SCREW

54

25E13

WASHER 5

Выбрано товаров: 0