Качественные детали и логистика
Оригинальные и аналоговые запчасти с доставкой по России, Казахстану и Беларуси
©2022 PartSell ООО "Система" ИНН 2463123282 ОГРН 1212400004838
Центральный офис: г. Красноярск, Академика Киренского, д.87, пом.4
Телефон: 8 (800) 777-65-74 Email: zakaz@partsell.ru
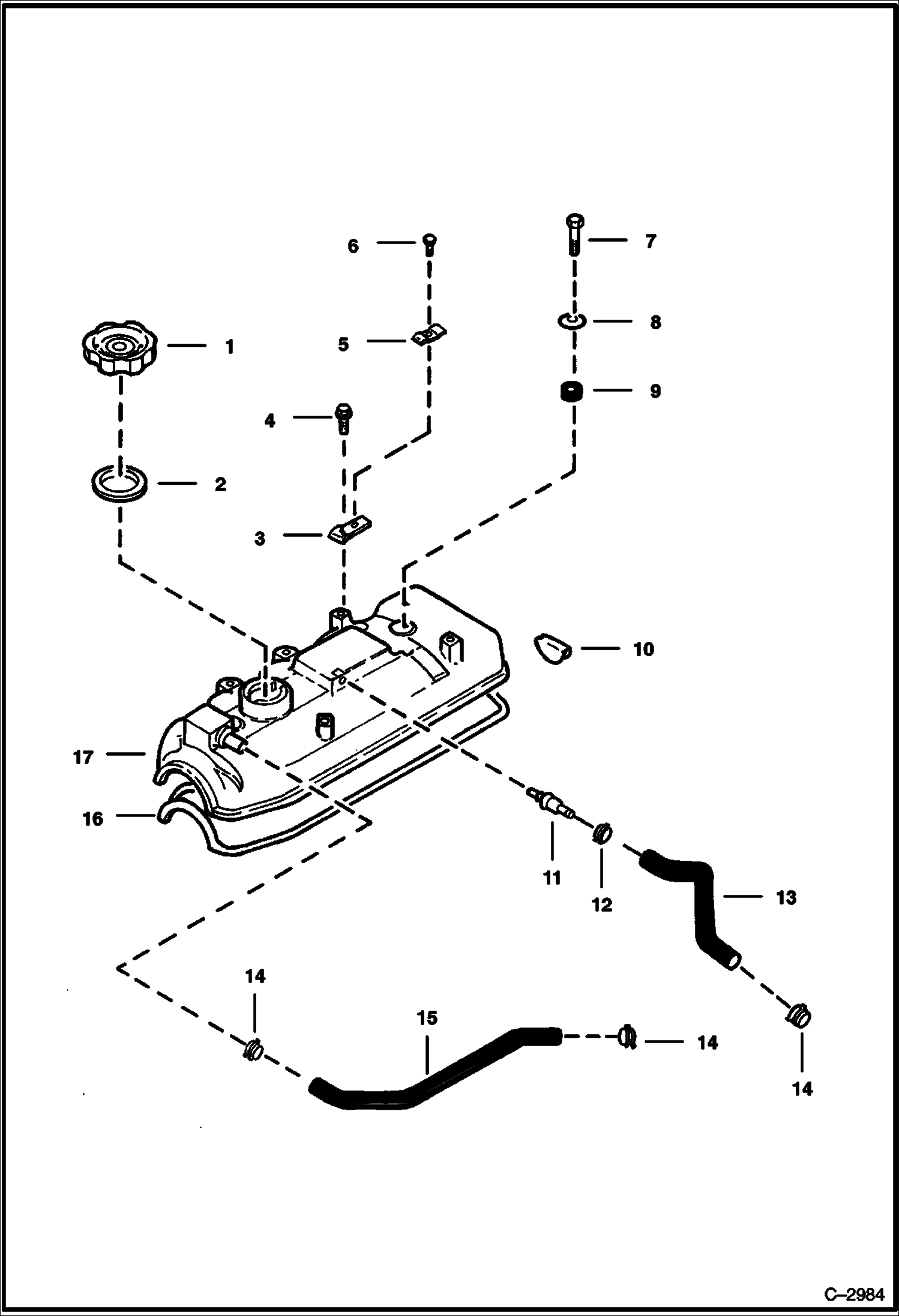
VALVE COVER
№
Артикул
Название
Примечание
Количество
1
6632701
CAP oil filler - W/Ref. 2
2
6632773
GASKET
3
6632678
BRACKET
4
29CM610
BOLT
5
6632679
6
6632834
7
1CM840
8
6632665
WASHER
9
6632666
SEAL
10
6632739
PACKING
11
6632848
VALVE, PCV
12
17H11
CLAMP
13
6632754
HOSE
14
42H6
HOSECLAM5
15
6632861
16
6632695
17
6632758
Выбрано товаров: 0