Запчасти Bobcat 700s REAR WINDOWS (S/N 20001 & Above) ACCESSORIES & OPTIONS

Схема запчастей Bobcat 700s - REAR WINDOWS (S/N 20001 & Above) ACCESSORIES & OPTIONS
FIT
1:1
100%

Артикул

Название

Примечание

Количество

1

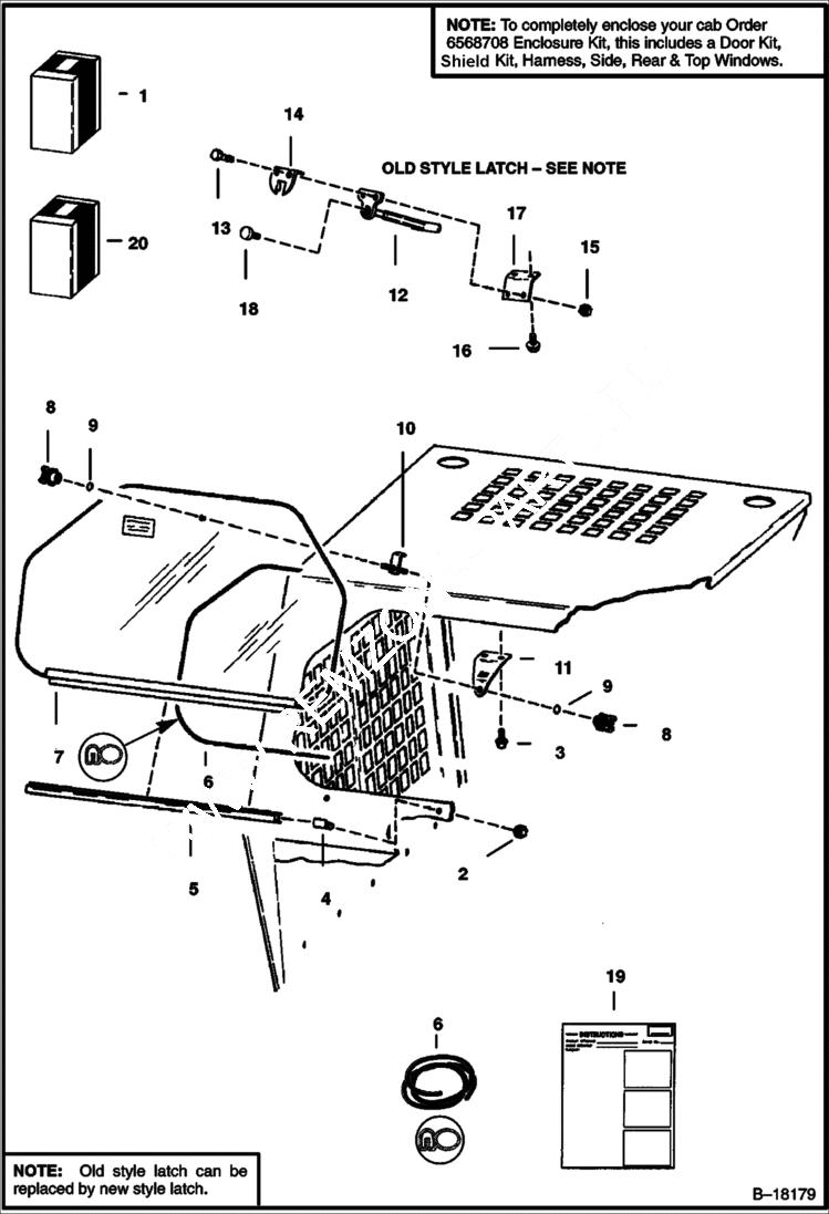
KIT See Illustration REAR WINDOW KIT/ B18180 NLA

2

59D4

NUT 5

3

84G3112

BOLT 5

4

6576513

BOLT

5

6630926

HINGE

6

6555351

SEAL bulk - sold per foot

7

6630925

WINDOW

8

6571529

KNOB

9

58K109

O RING 10

10

6571532

BRACKET

11

6571533

MOUNT

12

LATCH NLA - W/Ref. 18 - Order Ref. 3 & 8-11 - Was 6630929 - A

13

85G1014

SCREW

14

CLIP NLA - Order Ref. 3 & 8-11 - Was 6630928 - A

15

50D10

LOCKNUT

16

84G3112

BOLT 5

17

6568540

MOUNT

18

KNOB NLA - Was 6631665 - A

19

6566955

INSTRUCTIONS Rear Window

20

6568708

KIT cab enclosure - includes LH hinged door, shield kit, top window, side windows & rear window

Выбрано товаров: 20