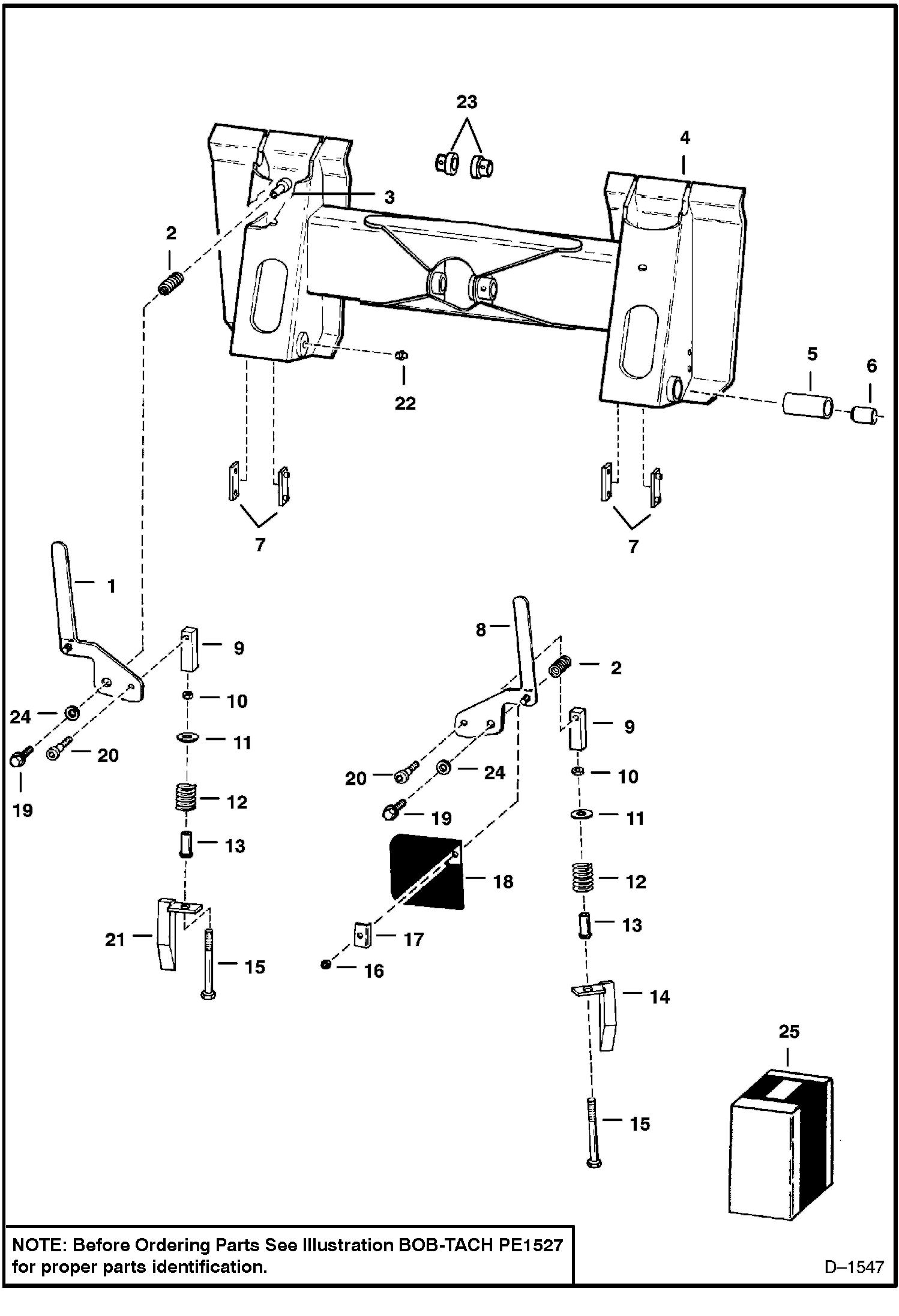
Запчасти Bobcat 700s BOB-TACH MAIN FRAME

Схема запчастей Bobcat 700s - BOB-TACH MAIN FRAME
FIT
1:1
100%

Артикул

Название

Примечание

Количество

1

6563106

LEVER

2

6704453

SPRING Was 6503387 - A

3

6562013

STUD

4

FRAME NLA - ORDER 6705172 KIT

5

6565326

BUSHING Weld In

6

6562067

BUSHING Press Fit

7

6562026

INSERT

8

6563107

LEVER

9

BLOCK NLA - Order 6565186 Block & 17C000884B Bolt

9

6565186

BLOCK, BOB-TACH WEDGE Use Only With 17C000884B Bolt

10

7D8

NUT 5

11

1303141

SPACER

12

6578253

SPRING, COMPRESSION Was 6562018 - A

13

6562019

GUIDE

14

6565189

WEDGE

15

17C880

BOLT 1/2'' x 5''

15

17C884

BOLT 1/2'' x 5-1/4'' - Use With 6565186 Block

16

85D6

NUT, 5

17

6563108

ANGLE

18

6563103

COVER

19

35C610

BOLT 5

20

38C810

BOLT Was 661846B - A

21

6565190

WEDGE

22

743332

FITTING, GREASE 5

23

6562642

BUSHING, WELD-ON Weld On

24

619021

WASHER, 5

25

6579433

LEVER KIT LH - Ref. 1, 2. 9-13, 15-21 & 24

25

6579434

LEVER KIT RH - Ref. 2, 8, 9-20 & 24

Выбрано товаров: 28