Качественные детали и логистика
Оригинальные и аналоговые запчасти с доставкой по России, Казахстану и Беларуси
©2022 PartSell ООО "Система" ИНН 2463123282 ОГРН 1212400004838
Центральный офис: г. Красноярск, Академика Киренского, д.87, пом.4
Телефон: 8 (800) 777-65-74 Email: zakaz@partsell.ru
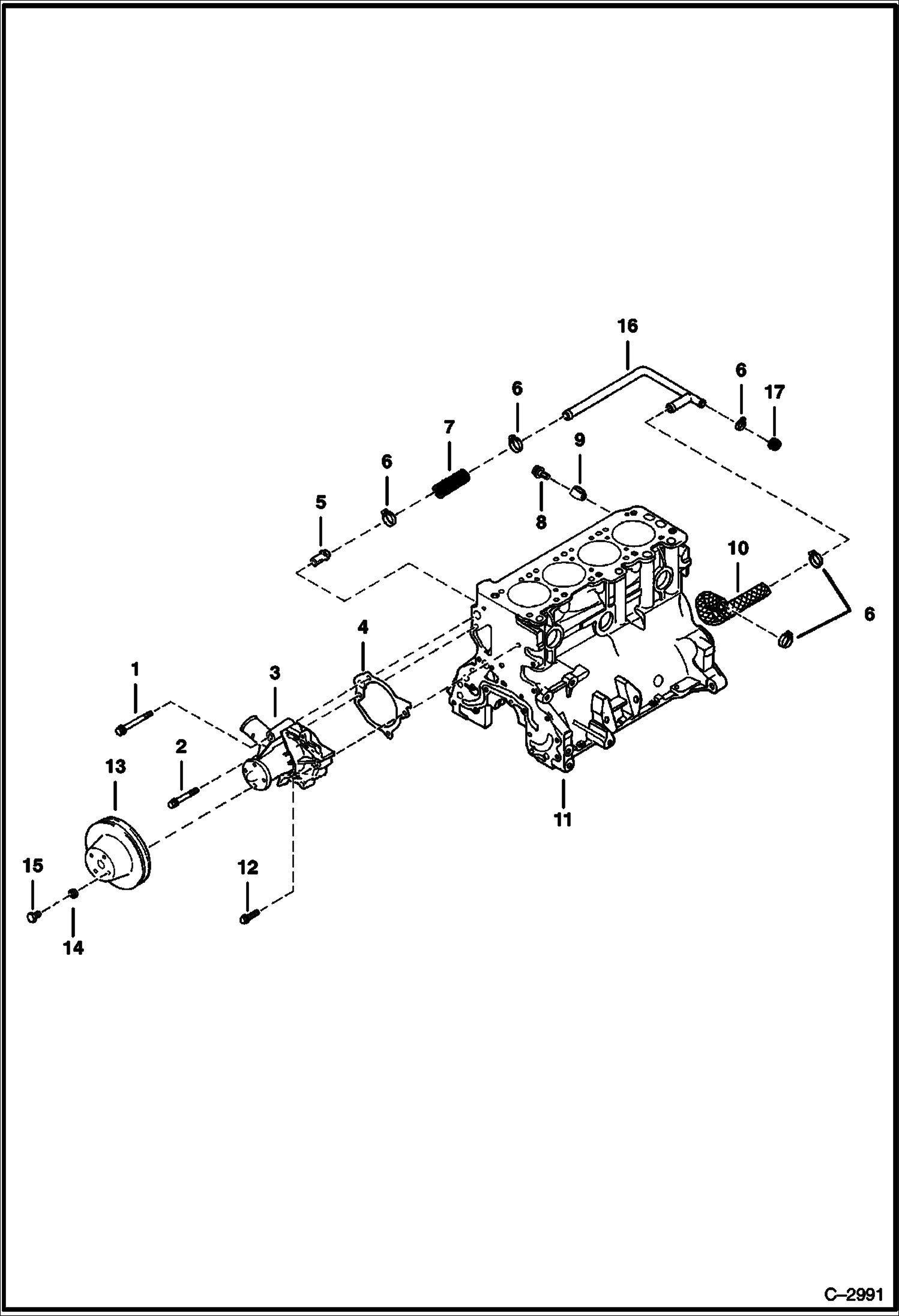
WATER PUMP
№
Артикул
Название
Примечание
Количество
1
29CM870
BOLT
2
BOLT NLA - Was 29CM00855B - A
3
6632822
WATER PUMP W/Ref. 4
4
6632714
GASKET
5
6632649
NIPPLE
6
42H10
HOSECLAM5
7
6632680
HOSE
8
29CM610
9
CLAMP NSS - W/Ref. 16
10
6632646
11
BLOCK See Illustration ENGINE BLOCK/ E1745 ENGINE
12
BOLT NLA - Was 29CM00828B - A
13
6632741
PULLEY
14
6EM60
WASHER, SPRING
15
1CM612
16
6632855
PIPE
17
6643373
CAP
Выбрано товаров: 0