Качественные детали и логистика
Оригинальные и аналоговые запчасти с доставкой по России, Казахстану и Беларуси
©2022 PartSell ООО "Система" ИНН 2463123282 ОГРН 1212400004838
Центральный офис: г. Красноярск, Академика Киренского, д.87, пом.4
Телефон: 8 (800) 777-65-74 Email: zakaz@partsell.ru
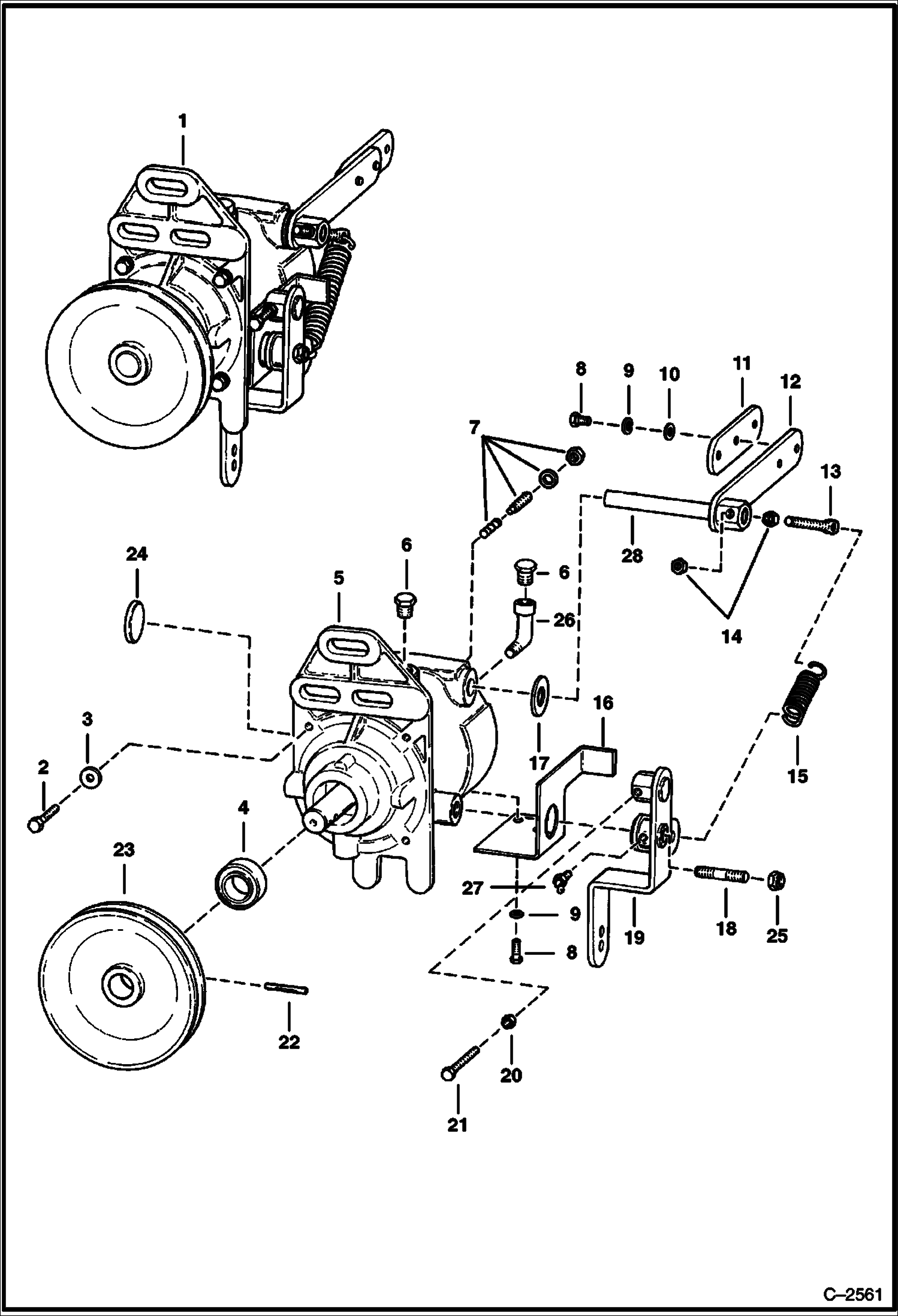
HOOF GOVERNOR
№
Артикул
Название
Примечание
Количество
1
6632521
GOVERNOR Hoof
2
45G1212
BOLT
3
6513934
WASHER
4
6513952
SEAL
5
HOUSING NSS - Order Ref. 1
6
40K2
PLUG
7
958509
BUMPER
8
17C408
9
4E4
10
6513937
11
6513936
LEVER
12
6513935
13
6513953
EYEBOLT Eye
14
62D5
NUT
15
6513938
SPRING
16
6513940
BRACKET
17
897700
18
6652878
STUD
19
6664289
LEVER Was 6632884 - A
20
8D4
21
6513956
SCREW
22
685218
PIN
23
6513933
PULLEY
24
12F13
PLUG Welch
25
6652879
26
26F1
PIPE FITG
27
11H25
FITTING10
28
6630890
ROD
Выбрано товаров: 0