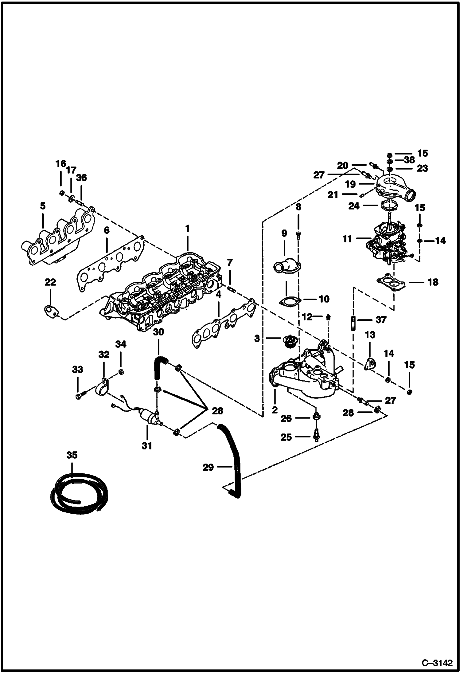
Запчасти Bobcat 700s MANIFOLDS & CARBURETOR POWER UNIT

Схема запчастей Bobcat 700s - MANIFOLDS & CARBURETOR POWER UNIT
FIT
1:1
100%

Артикул

Название

Примечание

Количество

1

HEAD See Illustration VALVES/ D1772 TEMP. - USED W/LIGHT

2

MANIFOLD Was 6657405 - A

3

6632614

THERMOSTAT

4

6632748

GASKET

5

MANIFOLD NLA - Exhaust - Was 6632627 - A

6

6632685

GASKET

7

6632864

STUD

8

1CM828

CAP SCREW

9

6632615

HOUSING

10

6632667

GASKET

11

CARBURETOR See Illustration CARBURETOR/ B18364

12

6632843

PLUG

13

6632684

HANGER

14

6EM80

WASHER, SPRING

15

1DM8

NUT

16

6632668

NUT

17

15EM80

WASHER

18

6632676

GASKET

19

6632617

HORN air - W/O hole for Anti-Diesel Kit

19

6653466

HORN air - W/hole for Anti-Diesel Kit

20

6632797

NIPPLE

21

6632649

NIPPLE

22

6632684

HANGER

23

6632666

SEAL

24

6632854

GASKET

25

6599492

SENDER temp. - Use W/Gauge

26

6564767

ADAPTER Use Only W/6599492 Sender

27

6647886

PIPE

28

42H8

HOSE CLAMP 5

29

HOSE NLA - 16'' (406,4 mm) Order Ref. 35

30

HOSE NLA - 8'' (203,2 mm) Order Ref. 35

31

VALVE NLA - solenoid - Was 6647883 - A

32

30H60

CLIP

33

BOLT NLA - carriage bolt - 3/8'' x 1'' - Was 7C000616B - A

34

57D6

NUT 5

35

6654057

HOSE bulk - Sold Per Foot

36

6632686

STUD

37

6657406

STUD

38

6632665

WASHER

Выбрано товаров: 39