Запчасти Bobcat 700s CAB (Deluxe) ACCESSORIES & OPTIONS

Схема запчастей Bobcat 700s - CAB (Deluxe) ACCESSORIES & OPTIONS
FIT
1:1
100%

Артикул

Название

Примечание

Количество

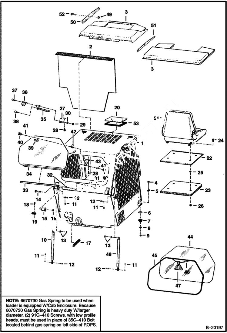
1

CAB See Illustration CAB DOOR/ B18175 NLA - REF. 2-26 & 44-48

2

6576494

INSULATION

3

6565373

INSULATION top window opening removed from front of insulation

3

6706553

INSULATION top window opening in middle of insulation

4

85D8

NUT, 5

5

6553709

WASHER

6

6543321

WASHER

7

6560633

DAMPENER

8

6515817

WASHER

9

17C840

BOLT

10

6700171

GAS SPRING w/o lock - also order 6675257, clevis - Was 6700000 - A

10

6670730

GAS SPRING KIT W/O lock, heavy duty gas spring - includes clevis on both ends - SEE NOTE

10

91G416

SCREW See Note - Was 91G000410B - A

11

6631418

RING, RETAINING

12

6567743

PIN

13

6567604

SPACER

14

17C1056

BOLT

15

6562602

BUSHING rubber

16

83D10

NUT 5

17

6555351

SEAL bulk - sold per foot

18

84G2516

BOLT

19

6568475

STOP

20

6701986

WINDOW top - square - Was 6563391

20

6705735

WINDOW oval

21

SEAT See Illustration SUSPENSION SEAT/ B5562

22

6577439

INSULATION

23

6577273

INSULATION

24

35C516

BOLT 10

25

61D5

NUT

26

83D5

NUT 5

27

6568540

MOUNT

28

84G3112

BOLT 5

29

50D10

LOCKNUT

30

25E10

WASHER

31

59D4

NUT 5

32

6576513

BOLT

33

6630926

HINGE

34

6630925

WINDOW

35

6630929

LATCH W/Ref. 38

36

CLIP NLA

37

85G1014

SCREW

38

KNOB NLA - Was 6631665 - A

39

6631625

DECAL

40

6571529

KNOB

41

58K109

O RING 10

42

6571532

BRACKET

43

6571533

MOUNT

44

6704891

WINDOW Was 6703021 - A

45

6658352

MOULDING bulk - sold per foot

46

6554149

CORD, BULK/FT bulk - sold per foot - Also Order Ref. 47 (6731478 exit tag) - Was 6554223

47

6731478

EXIT TAG exit - Was 6559515 - A

48

6701176

GAS SPRING W/Lock

49

83D4

NUT 10

50

6703160

TRACK LH

51

6703159

TRACK RH

52

35C410

BOLT 5

53

6664351

SEAL Use W/cab headliner & oval window

53

6665012

SEAL Use W/O cab headliner & oval window

Выбрано товаров: 58