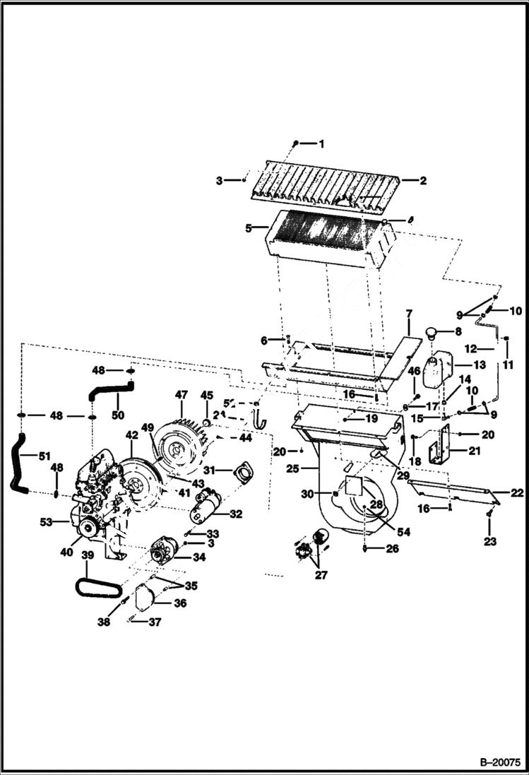
Запчасти Bobcat 700s ENGINE & ATTACHING PARTS (Ford Engine) POWER UNIT

Схема запчастей Bobcat 700s - ENGINE & ATTACHING PARTS (Ford Engine) POWER UNIT
FIT
1:1
100%

Артикул

Название

Примечание

Количество

1

84G3716

SCREW 5

2

6567868

GRILL

3

83D6

NUT 5

4

6666606

RADIATOR CAP Was 6630156 - A

5

6571713

EXCHANGER, WATER RADIATOR Was 6630246 - A

6

6514571

BOLT

7

6578176

MOUNT radiator - Was 6562851 - A

8

6702797

CAP Was 6558658 - A

9

42HS04

CLAMP, HOSE Was 6515575 - A

10

HOSE NLA - 1.75'' (44,4 mm) long - Was 6562597 - A

10

6577822

HOSE bulk - sold per foot

11

6519484

GROMMET

12

6562598

TUBE

13

6562509

TANK

14

6553411

BUSHING

15

6553412

ELBOW

16

21C508

BOLT

17

774220

NUT spring

18

10C512

BOLT carriage - Was 6553808 - A

18

17C612

BOLT 5

19

83D5

NUT 5

20

57D6

NUT 5 Was 57D000005B - D

21

6562599

MOUNT

21

6709415

MOUNT Was 6565576 - A

22

6563590

COVER

23

6565418

SCREW wing - Was 35C000512B - B

24

35C610

BOLT 5

25

6564047

HOUSING blower

25

6575657

HOUSING blower

26

RIVET NLA - Order 35C000620B & 59D000006B - Was 1316539B - A

26

35C620

BOLT 5

27

U-JOINT See Illustration UNIVERSAL JOINT/ B18348

28

INSULATION Was 6564595 - A

29

6555293

NAIL

30

6555294

CLIP

31

6562480

SPACER

32

STARTER See Illustration STARTER/ B17654 See Illustration STARTER/ B1192

33

17C632

BOLT 5

34

ALTERNATOR See Illustration ALTERNATOR/ B18939 See Illustration ALTERNATOR/ C3312 See Illustration ALTERNATOR/ B18156 See Illustration ALTERNATOR/ B18939A

35

6563043

BUSHING

36

6563037

SHIELD

37

17C672

BOLT

38

29CM860

BOLT Delco Alternator

38

17C540

BOLT Bobcat Alternator

39

6557143

BELT alternator

40

6558802

PULLEY

41

6562279

RING GEAR

42

FLYWHEEL See BTI214 NLA - W/Ref. 41

42

FLYWHEEL See BTI214 NLA - W/Ref. 41 - Was 6565463 - A

43

214165

DOWEL

44

17C528

BOLT

45

6558410

PLUG

46

37C516

BOLT Was 6565089 - A

47

6562659

BLOWER WHEEL See BTI214 Dowel Pin Alignment

47

6565466

BLOWER See BTI214 Counter Bore

48

42H32

HS CLAMP5

49

94G620

SCREW

50

6562986

HOSE radiator

51

6562987

HOSE radiator

52

6562431

BRACKET hose retainer

53

ENGINE See Illustration ENGINE/ B18474

54

59D6

NUT

Выбрано товаров: 62