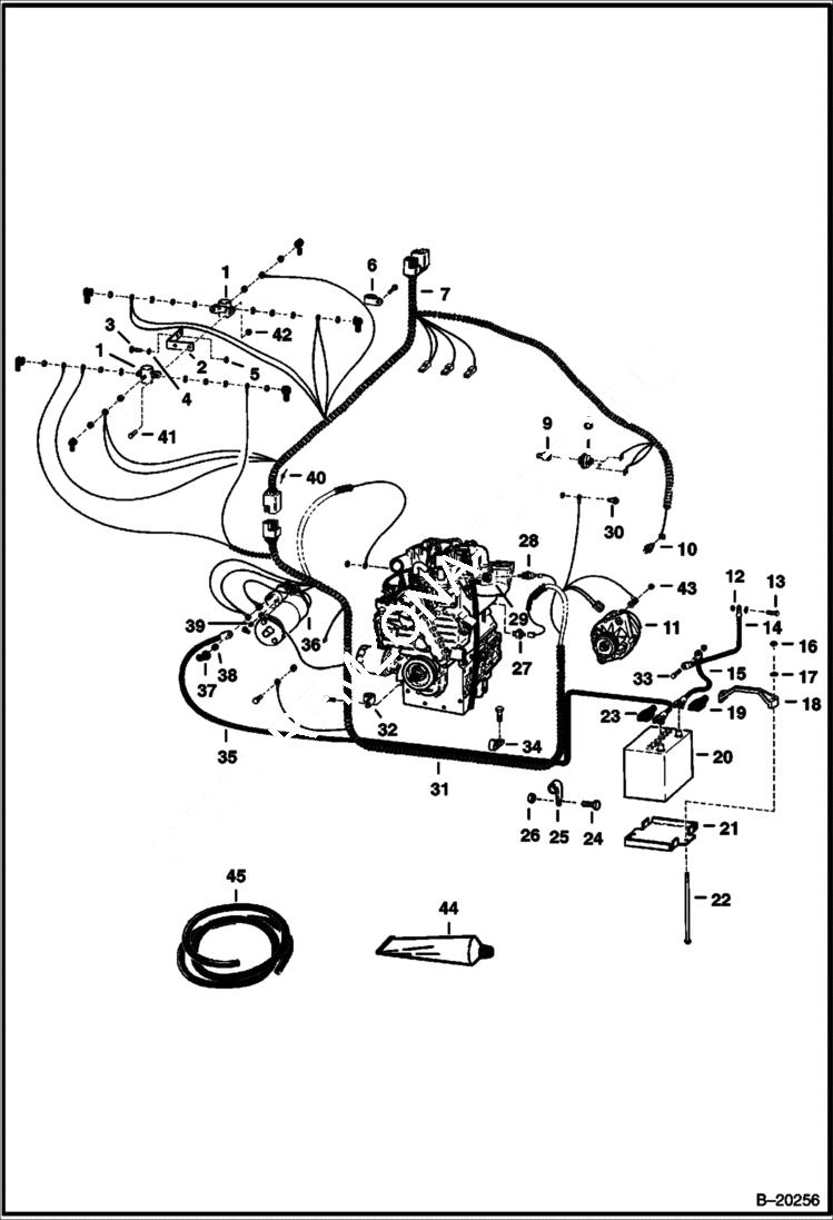
Запчасти Bobcat 700s ENGINE ELECTRICAL CIRCUITRY (S/N 14085 & Above) ELECTRICAL SYSTEM

Схема запчастей Bobcat 700s - ENGINE ELECTRICAL CIRCUITRY (S/N 14085 & Above) ELECTRICAL SYSTEM
FIT
1:1
100%

Артикул

Название

Примечание

Количество

1

6659319

SOLENOID Was 6632186 - A

2

6563483

BRACKET

3

7C520

BOLT

4

6E5

WASHER

5

61D5

NUT

6

30H42

CLAMP

7

6564908

HARNESS chassis

7

6565639

HARNESS chassis

8

6671062

SWITCH hydro. press. - Was 6664577 - A

9

6564350

SNUBBER

9

6563922

SNUBBER W/Filter

9

6563920

FILTER

10

6632633

SWITCH hyd temp - Was 6564560 - A

11

ALTERNATOR See Illustration ALTERNATOR/ B18939

12

83D5

NUT 5

13

17C512

BOLT 5

14

6563025

CABLE Ground

15

6553094

CABLE Ground - Was 6562905 - A

16

59D5

NUT 5

17

25E15

WASHER

18

6569203

CLAMP

19

6599652

BOOT

20

6665031

BATTERY Was 6568707 - A

20

6630153

BATTERY CAP

21

6561733

MOUNT

22

6569623

BOLT

23

2356058

BOOT

24

31C820

BOLT

25

30H48

CLIP

26

57D8

NUT 10

27

6969775

SWITCH, OIL PRESSURE eng. oil press. - Was 6652576 - A

28

SENDER See BTI259 NLA - eng. temp. - 1/8'' threads - See - Ref. 29 - Was 6599492 - A

28

6658818

SENDER See BTI259 eng temp - threaded connector

29

19F4

BUSHING Use W/Ref. 28 if engine has 1/2'' hole for temp. switch

30

SWITCH See Illustration HYDROSTATIC OIL FILTER/ C2818 FILTER

31

6564909

HARNESS engine

31

6567088

HARNESS engine

31

6571535

HARNESS Use W/Bobcat alt.

32

30H29

CLAMP

33

17C610

BOLT

34

30H30

CLAMP

35

6564991

CABLE pos. - W/Ref. 45

36

STARTER See Illustration STARTER/ B18466

37

6560172

COVER

38

61D6

NUT 5

38

4DM10

NUT

39

12D8

NUT

39

4DM5

NUT

40

3675725

DIODE

41

17C412

BOLT 5

42

61D4

NUT 5

43

1DM6

NUT Use W/Bobcat alt. - Was 4DM6 - A

44

6599360

SEALANT, ELEC .3 OZ electrical - tube - 3 oz

45

6563505

CONDUIT bulk - Sold Per Foot

Выбрано товаров: 0