Запчасти Bobcat 700s ENGINE & ATTACHING PARTS POWER UNIT

Схема запчастей Bobcat 700s - ENGINE & ATTACHING PARTS POWER UNIT
FIT
1:1
100%

Артикул

Название

Примечание

Количество

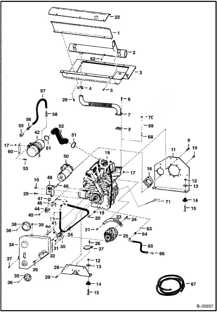
1

6561285

HEAT SHIELD heat

2

6514737

MUFFLER, SPARK ARRESTOR

3

6562851

MOUNT

3

6565419

MOUNT

4

6677363

CLAMP, FULL CIRCLE Was 657904B - A

5

35C610

BOLT 5

6

1CM825

BOLT Was 4CM825 - A

7

6569624

PIPE

8

6575580

GASKET muffler - Was 6598088 - A

9

6CM1225

BOLT

10

5CM1020

SCREW

11

6562433

MOUNT motor

12

61D8

NUT 5

13

6515817

WASHER

14

6560633

DAMPENER shock

15

17C836

BOLT

16

6562198

SPACER starter

17

57D5

NUT

18

ENGINE See Illustration ENGINE/ E1332 KUBOTA

19

6631046

SEAL

20

6630815

PLUG

21

1CM870

BOLT

22

6565327

SHIELD muffler

23

6579721

RETAINER Was 6562694 - A

24

29CM825

BOLT Use W/Delco Alt.

24

35C516

BOLT 10 Use W/Bobcat Alt.

25

ALTERNATOR See Illustration ALTERNATOR/ B18939

26

84G3710

SCREW

27

EXTENSION Order Ref 64 Order Ref 65 Order Ref 66 NLA - Was 6562285 - A

28

6562843

MOUNT motor

29

6CM1220

BOLT

30

6562257

MOUNT

31

39DM10

NUT Use W/Delco Alt.

31

85D6

NUT, 5 Use W/Bobcat Alt.

32

1CM890

BOLT

33

6652764

STUD Was 3974462B - A

34

SHIELD NLA - 3 piece - Order 6571594

34

6571594

SHIELD 1 piece

35

6562417

SHIELD Use W/3 piece Shield

36

6630207

RIVET 5 Use W/3 piece Shield - Was 6598092 - A

37

1CM895

BOLT

38

SHIELD Use W/3 piece Shield - Was 6562418 - A

39

1CM840

BOLT

40

17C556

BOLT

41

6568877

WASHER

42

6563400

AIR CLEANER See Illustration AIR CLEANER/ B20264

43

6714543

GASKET Was 3974461B - A

44

6562466

INLET oil fill

45

1DM6

NUT

46

3966602

O RING oil fill plug

47

6685924

CAP oil filler - Was 6652653 - A

48

6562419

BRACKET For Delco 1108692 Starter

48

6567048

BRACKET For Delco 1998339 Starter

49

17C640

BOLT 5

50

STARTER See Illustration STARTER/ B18466

51

42H32

HS CLAMP5 Was 42H000024B - B

52

6563447

HOSE

53

35C516

BOLT 10

54

1CM1080

BOLT Use W/Delco Alt.

54

17C648

BOLT 5 Use W/Bobcat Alt.

55

6515007

GAUGE Dust

56

6505813

CONNECTOR barbed

57

HOSE NLA - 24'' (609,6 mm) - Order Ref. 67 - Was 6559797 - A

58

6563452

FITTING barbed

59

6562693

BELT, ALT

60

6563705

SHIM

60

6569874

SHIM

61

42HL300

CLAMP Was 6598799 - A

62

866104

PLUG Brass

63

79K8

O RING 10

64

15K6

ADAPTER W/Ref. 63

65

6572070

HOSE oil drain

66

36K6

CAP

67

6557720

HOSE bulk - Sold Per Foot

68

3974627

STUD

69

6EM80

WASHER, SPRING

70

1DM8

NUT

71

6598181

DIPSTICK See Illustration OIL PAN/ C2550

Выбрано товаров: 78