Запчасти Bobcat 700s OPERATOR CAB (Deluxe) (S/N 20001 & Above) ACCESSORIES & OPTIONS

Схема запчастей Bobcat 700s - OPERATOR CAB (Deluxe) (S/N 20001 & Above) ACCESSORIES & OPTIONS
FIT
1:1
100%

Артикул

Название

Примечание

Количество

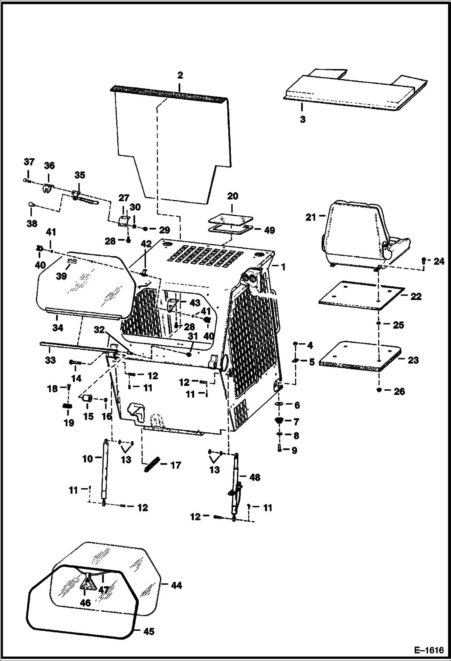
1

CAB SALES - Ref. 2-26 & 44-49

2

6576494

INSULATION Was 6568179 - A

3

6565373

INSULATION

4

85D8

NUT, 5

5

6553709

WASHER

6

6543321

WASHER

7

6560633

DAMPENER

8

6515817

WASHER

9

17C840

BOLT

10

6700171

GAS SPRING w/o lock - also order 6675257, clevis - Was 6700000 - A

10

6670730

GAS SPRING KIT W/O lock - heavy duty - 6670730 Gas spring to be used when loader is equipped W/Cab Enclosure. Because 6670730 Gas Spring in heavy duty w/larger diameter, (2) 91G-410 Screws, with low p

10

91G416

SCREW Was 91G000410B - A

11

6631418

RING, RETAINING

12

6567743

PIN

13

6567604

SPACER

14

17C1056

BOLT

15

6562602

BUSHING rubber

16

83D10

NUT 5

17

6555351

SEAL bulk - sold per foot

18

84G2516

BOLT Was 61G000416B - B

19

6568475

STOP

20

6701986

WINDOW top - not Use W/Ref. 49 - Was 6563391 - A

20

6705735

WINDOW top - Use W/Ref. 49

21

SEAT See Illustration SUSPENSION SEAT/ B5562

22

6577439

INSULATION Was 6567903 - A

23

6577273

INSULATION Was 6567902 - A

24

35C516

BOLT 10

25

61D5

NUT

26

83D5

NUT 5

27

6568540

MOUNT

28

84G3112

BOLT 5

29

50D10

LOCKNUT

30

25E10

WASHER

31

59D4

NUT 5

32

6576513

BOLT Was 6630927 - A

33

6630926

HINGE

34

6630925

WINDOW

35

LATCH NLA - W/Ref. 38 - Order Ref. 40-43 - Was 6630929 - A

36

CLIP NLA - Order Ref. 40-43 - Was 6630928 - A

37

85G1014

SCREW

38

KNOB NLA - Was 6631665 - A

39

6631625

DECAL

40

6571529

KNOB

41

58K109

O RING 10

42

6571532

BRACKET

43

6571533

MOUNT

44

6704891

WINDOW

45

6658352

MOULDING bulk - sold per foot

46

6731478

EXIT TAG exit - Was 6559515 - A

47

6554149

CORD, BULK/FT bulk - sold per foot - Also Order Ref. 46 (6731478 exit tag)

48

GAS SPRING NLA - W/Lock - Order 6664205 Gas Spring, 6701175 Tube & 6701174 Washer - Was 6701176

49

6664351

SEAL Use W/cab headliner & Ref. 20 (6705735 window)

49

6665012

SEAL Use W/O cab headliner & Ref. 20 (6705735 window)

Выбрано товаров: 53