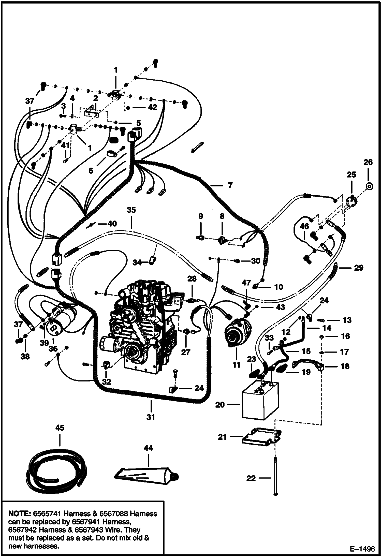
Запчасти Bobcat 700s ENGINE ELECTRICAL (S/N 51377 & Below) ELECTRICAL SYSTEM

Схема запчастей Bobcat 700s - ENGINE ELECTRICAL (S/N 51377 & Below) ELECTRICAL SYSTEM
FIT
1:1
100%

Артикул

Название

Примечание

Количество

1

6659319

SOLENOID Was 6632186 - B

2

6563483

BRACKET

3

7C512

SCREW

4

6E5

WASHER

5

61D5

NUT

6

30H42

CLAMP

7

6565741

HARNESS chassis - See Note

7

6567941

HARNESS chassis

8

6671062

SWITCH hydro. press. - Was 6664577 - A

9

6563922

SNUBBER W/Filter

9

6563920

FILTER

10

6632633

SWITCH hyd temp - Was 6564560 - A

11

ALTERNATOR See Illustration CLOSED ALTERNATOR/ D1649 See Illustration ALTERNATOR/ B20297

12

83D5

NUT 5

13

17C512

BOLT 5

14

6563025

CABLE

15

6553094

CABLE Was 6562905 - A

16

59D5

NUT 5

17

25E15

WASHER

18

6569203

CLAMP

19

6599652

BOOT

20

6665032

BATTERY, DRY 700 AMP Was 6665031 - A

20

6630153

BATTERY CAP

21

6561733

MOUNT

22

6569623

BOLT

23

2356058

BOOT

24

30H46

CLIP

25

1781345

SWITCH Was 754019B - A

26

6590789

PLATE

27

6969775

SWITCH, OIL PRESSURE eng. oil press. - Was 6652576 - A

28

SENDER See BTI259 NLA - eng. temp.

28

6658818

SENDER See BTI259 eng temp - threaded connector

29

6565737

CABLE

30

SWITCH See Illustration HYDROSTATIC OIL FILTER/ C2818 - filter

31

6567088

HARNESS engine - See Note

31

6567942

HARNESS engine

32

31H38

CLAMP

33

17C610

BOLT

34

30H29

CLAMP

35

6563135

CABLE pos. - W/Ref. 45

36

STARTER See Illustration STARTER/ B18466 See Illustration STARTER/ D2119 See Illustration STARTER/ B18467

37

6560172

COVER

38

4DM10

NUT

39

4DM5

NUT

40

3675725

DIODE

41

17C412

BOLT 5

42

61D4

NUT 5

43

1DM6

NUT Was 4DM6 - A

44

6599360

SEALANT, ELEC .3 OZ electrical - tube - 3 oz

45

6563505

CONDUIT bulk - Sold Per Foot

46

6567943

WIRE

47

624425

COVER

Выбрано товаров: 52