Запчасти Bobcat 700s CYLINDER HEAD POWER UNIT

Схема запчастей Bobcat 700s - CYLINDER HEAD POWER UNIT
FIT
1:1
100%

Артикул

Название

Примечание

Количество

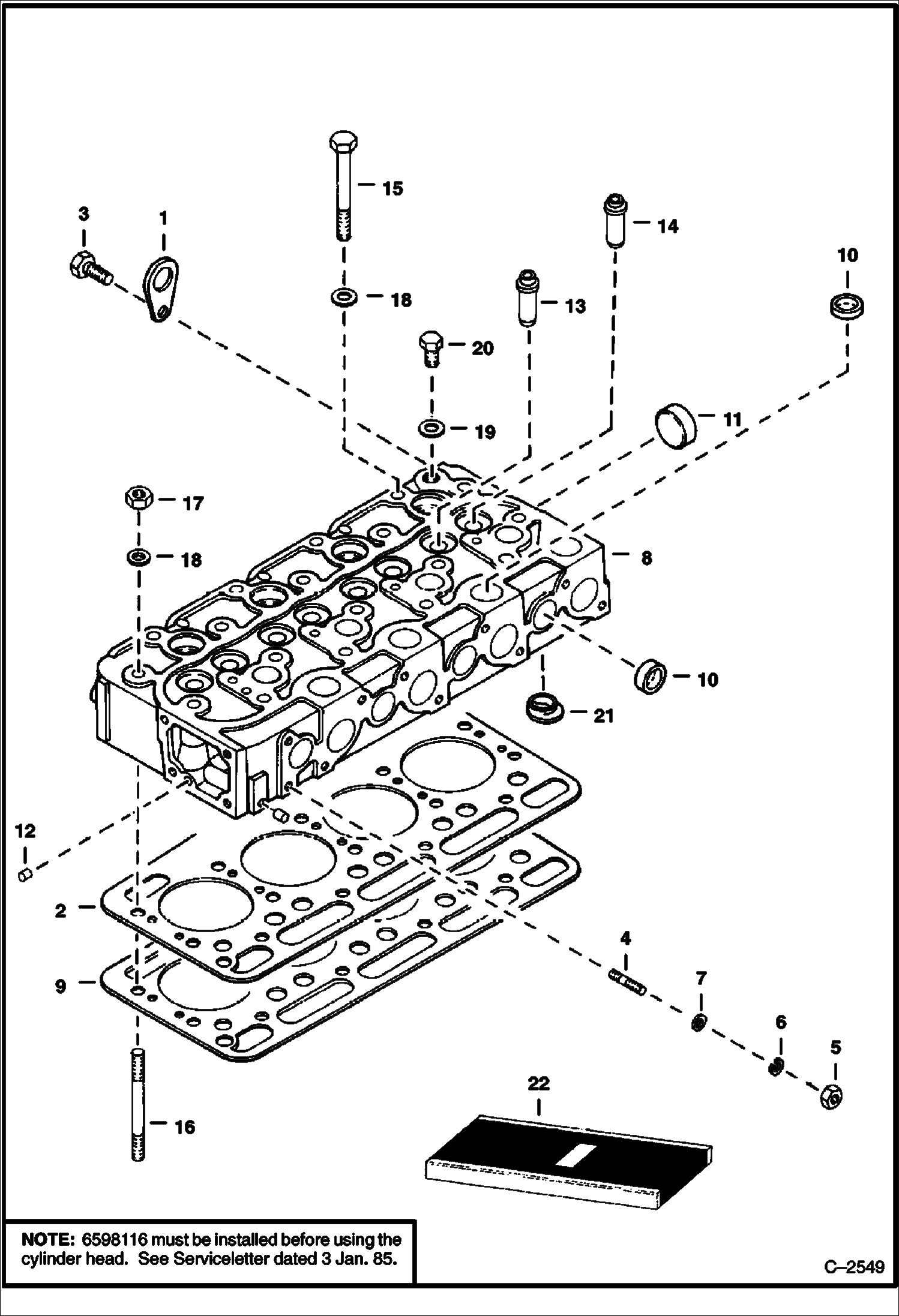
1

3974882

HOOK engine

2

6598126

SHIM

3

1CM816

BOLT Was 4CM816 - A

4

6598156

STUD

5

1DM8

NUT

6

6EM80

WASHER, SPRING

7

1EM80

WASHER plain

8

HEAD NLA - cylinder - W/Ref. 10-14 - See Note & Service letter - Order 6660966 - Was 6598127 - A

8

HEAD NLA - cylinder - remanufactured - W/Ref. 10-14, Valves, valvesprings & exhaust manifold stud - Order 6660966 - Was 6598127 REM - A

8

6660966

HEAD Cylinder - Ref. 4, 10-14, 19 & 20 & Ref. 1-7 & 12 on Ill B18574

9

6666799

GASKET, HEAD CYL cylinder head - Was 6656333 - A

10

3974432

PLUG sealing

11

3974433

PLUG sealing

12

6598116

PLUG

13

6655154

GUIDE valve - Was 6653802 - A

14

6969990

GUIDE exhaust valve - Was 6653803 - A

15

BOLT NLA - cylinder head - Use 6653804 - Was 3974435B - A

15

6653804

BOLT Was 3975364B - A

16

3975366

STUD

17

2DM10

NUT cylinder head

17

3975365

NUT

18

3974438

WASHER plain

19

3974885

WASHER

20

3974884

PLUG

21

6598117

CHAMBER combustion

22

6630554

GASKET KIT See Illustration UPPER GASKET KIT/ NA6695 - upper

Выбрано товаров: 26