Качественные детали и логистика
Оригинальные и аналоговые запчасти с доставкой по России, Казахстану и Беларуси
©2022 PartSell ООО "Система" ИНН 2463123282 ОГРН 1212400004838
Центральный офис: г. Красноярск, Академика Киренского, д.87, пом.4
Телефон: 8 (800) 777-65-74 Email: zakaz@partsell.ru
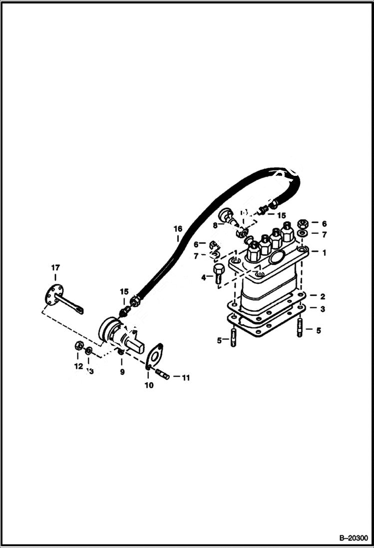
INJECTION PUMP
№
Артикул
Название
Примечание
Количество
1
6655516
PUMP See Illustration INJECTION PUMP/ C2560 - Was 6598131 - A
2
3974626
SHIM 0,20 mm - injection pump
3
6598148
SHIM
4
4CM822
BOLT
5
3974627
STUD
6
1DM8
NUT
7
6EM80
WASHER, SPRING
8
6598102
VALVE jet start
9
6666850
PUMP, FUEL Was 6564223 - A
10
3974502
GASKET fuel pump
11
3974503
12
1DM6
13
6EM60
WASHER, SPRING spring
14
6564224
NUT Was 3974500B - B
15
89F3
ADAPTOR
16
6567665
HOSE
17
6630183
DIAPHRAM fuel pump
Выбрано товаров: 0