Запчасти Bobcat 700s OPERATOR CAB MAIN FRAME

Схема запчастей Bobcat 700s - OPERATOR CAB MAIN FRAME
FIT
1:1
100%

Артикул

Название

Примечание

Количество

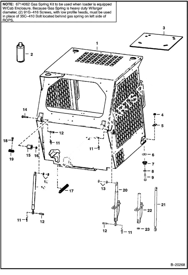
1

6569249

OPERATOR CAB See BTI245 Includes Decals

2

6632469

ADHESIVE insulation - 24 oz. spray can

3

6567890

INSULATION

4

59D8

NUT 5 Was 85D000008B - B

5

6553709

WASHER

6

6543321

WASHER

7

6560633

DAMPENER

8

6515817

WASHER

9

17C840

BOLT

10

6700171

GAS SPRING w/o lock - also order 6675257, clevis - Was 6706590 - A

10

6714062

KIT W/O lock-Heavy duty Gas Spring - SEE NOTE

10

91G416

SCREW SEE NOTE

10

6900531

INSTRUCTIONS For kit 6714062

11

6631418

RING, RETAINING

12

6567743

PIN

13

6567604

SPACER

14

17C1056

BOLT

15

6562602

BUSHING rubber

16

83D10

NUT 5

17

6555351

SEAL bulk - sold per foot

18

84G2516

BOLT

19

6568475

STOP

20

GAS SPRING NLA - W/Lock - Order Ref. 21-23 - Was 6701176 - A

21

6664205

GAS SPRING also order 6675257, clevis

21

6675257

CLEVIS

22

6708189

TUBE stop - Was 6701175 - A

23

6701174

WASHER

Выбрано товаров: 27