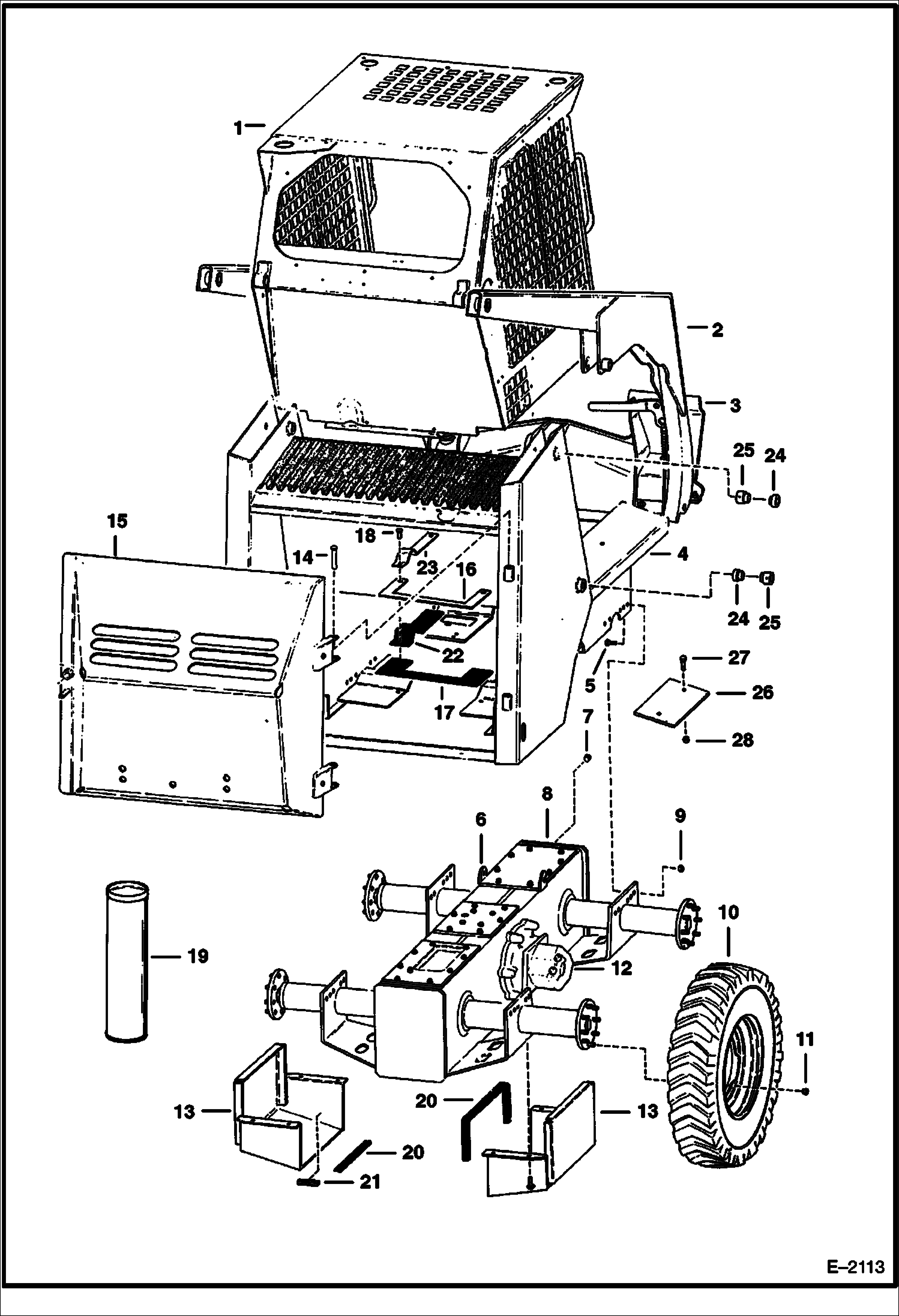
Запчасти Bobcat 700s MAIN FRAME MAIN FRAME

Схема запчастей Bobcat 700s - MAIN FRAME MAIN FRAME
FIT
1:1
100%

Артикул

Название

Примечание

Количество

1

OPERATOR CAB See Illustration OPERATOR CAB/ B20186

2

LIFT ARM See Illustration LIFT ARMS & BOBTACH/ B20188

3

BOB-TACH

4

6568205

MAIN FRAME

4

6562224

BUSHING rear door

5

31C820

BOLT

6

COVER See Illustration DISC BRAKE/ D2188

7

40K12

PLUG socket head

7

16F12

PLUG allen head

8

CHAINCASE See Illustration DRIVE TRAIN/ B20190

9

83D8

NUT 5

10

TIRE & RIMS See Illustration TIRES & RIMS/ B20236

11

6564669

NUT, 10 wheel

12

MOTOR See Illustration HYDROSTATIC MOTOR/ D1928 HYDRO.

13

6703708

COVER

14

6564340

PIN

15

REAR DOOR See Illustration REAR DOOR/ B20187

16

6565092

RETAINER

17

6563638

SEAL rubber

18

84G3710

SCREW

19

6632501

SEALANT chaincase cover

20

6513152

SEAL bulk - sold per foot

21

SEAL NLA - bulk - Sold Per Foot - Was 6555026 - A

22

6564936

SEAL

23

6704692

RETAINER

24

6555989

BUSHING Weld On

25

6555987

BUSHING weld on

26

6704325

COUNTERWEIGHT

27

37C628

BOLT

28

83D6

NUT 5

Выбрано товаров: 30