Запчасти Bobcat 700s DISC BRAKE DRIVE TRAIN

Схема запчастей Bobcat 700s - DISC BRAKE DRIVE TRAIN
FIT
1:1
100%

Артикул

Название

Примечание

Количество

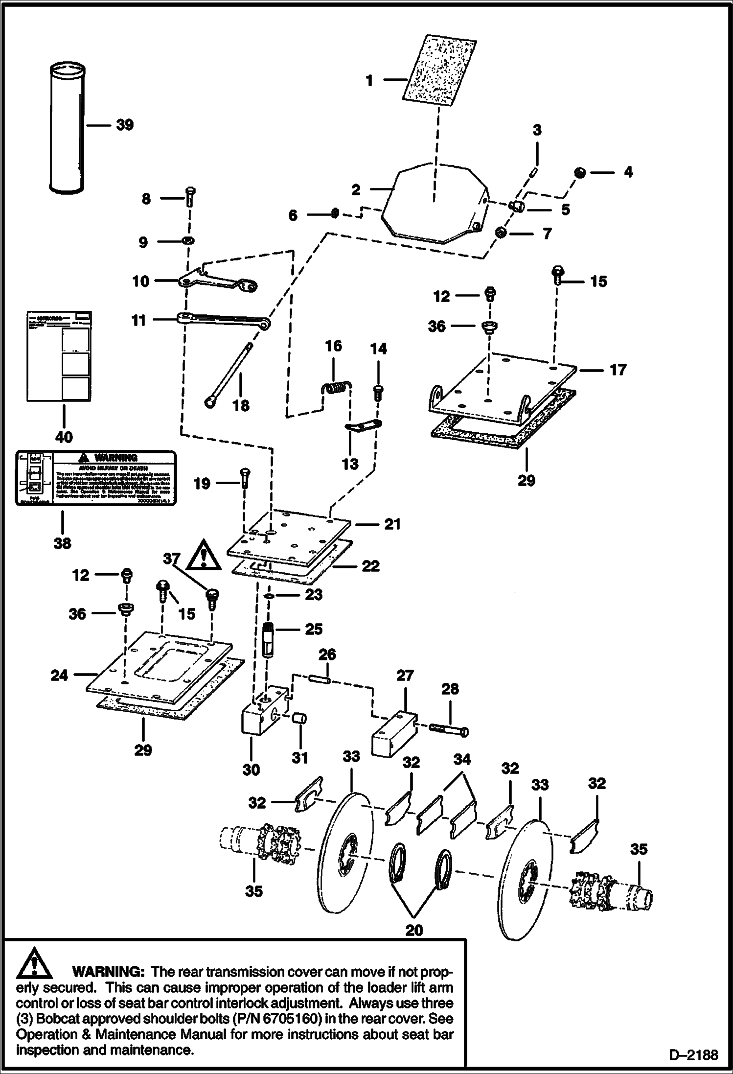
1

6553976

SAFETY TREAD 127 x 203 mm (5 x 8'')

2

6563187

PEDAL

3

14J2516

PIN

4

85D8

NUT, 5

5

6563178

PIVOT

6

25E21

WASHER 5

7

61D8

NUT 5

8

17C820

BOLT

9

6506477

WASHER

10

6577552

BRACKET

11

6563823

LEVER

12

6680970

BREATHER Was 6670627 - A

13

6559218

ANGLE

14

84G3716

SCREW 5

15

84G3712

BOLT 5

15

84G3712

BOLT 5

16

6505076

SPRING

17

6707171

COVER Also Order Ref. 12 & 36 - Was 6703781 - A

18

6567179

ROD

19

17C816

BOLT

20

6658672

SNAP RING

21

6575962

COVER

22

6703098

GASKET

23

25K30100

O RING 10

24

6703936

COVER earlier cover may require Ref. 12 & 36

25

6569842

CAM PIN

26

6571796

SPACER

27

6571794

BLOCK

28

17C880

BOLT

29

6703097

GASKET, TRANS COVER

30

6571795

BLOCK

31

6569927

PIN

32

6700706

PAD

33

6702792

DISC

34

6702805

SPACER

35

6705065

SHAFT, TRANS Was 6703089 - A

36

6553411

BUSHING

37

6705160

SHOULDER BOLT See Illustration DISC BRAKE/ D2188 Always use (3) 6705160 Shoulder Bolts in Center Cover ... SEE WARNING ON ILLUSTRATION

38

6705453

DECAL warning

39

6632501

SEALANT chaincase cover

40

6722343

INSTRUCTIONS

Выбрано товаров: 41