Качественные детали и логистика
Оригинальные и аналоговые запчасти с доставкой по России, Казахстану и Беларуси
©2022 PartSell ООО "Система" ИНН 2463123282 ОГРН 1212400004838
Центральный офис: г. Красноярск, Академика Киренского, д.87, пом.4
Телефон: 8 (800) 777-65-74 Email: zakaz@partsell.ru
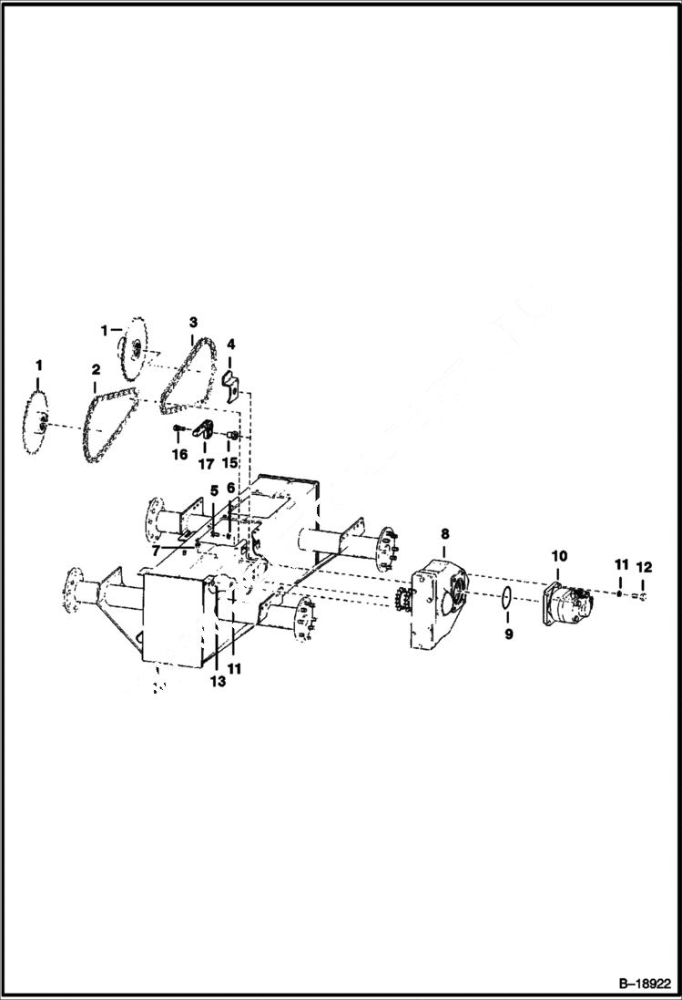
DRIVE TRAIN
№
Артикул
Название
Примечание
Количество
1
6562999
SPROCKET, AXLE
2
6559099
CHAIN, DRIVE
3
6559100
CHAIN
6510171
LINK conn. - Used for Diamond & Daido chain
4
GUIDE NLA - R.H. & L.H. - Order Ref. 15-17 - Was 6559726 - A
5
17C1228
BOLT
6
6576033
WASHER Was 6558465 - A
7
6558506
PLUG breather
8
6558307
GEARCASE See Illustration GEARCASE/ B18915
9
25K30508
O-RING, 10
10
MOTOR See Illustration HYDROSTATIC MOTOR/ D1443
11
6701097
WASHER Was 6803867 - A
12
17C828
13
17C820
14
6565543
CHAINCASE
15
17C1252
16
6569807
BUSHING
17
6569808
CHAIN GUIDE plastic
Выбрано товаров: 0