Запчасти Bobcat 700s CAB ENCLOSURE (Special Applications) ACCESSORIES & OPTIONS

Схема запчастей Bobcat 700s - CAB ENCLOSURE (Special Applications) ACCESSORIES & OPTIONS
FIT
1:1
100%

Артикул

Название

Примечание

Количество

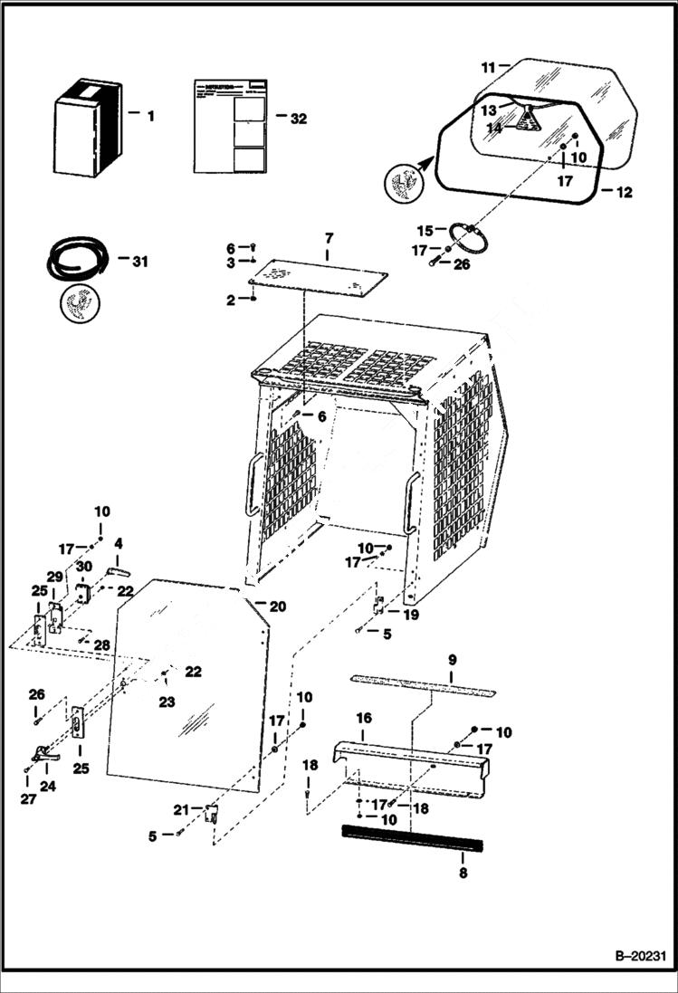
1

KIT See Illustration CAB DOOR/ B18175 NLA - CAB ENCLOSURE - REF. 2-32 - WAS SALES - A

2

83D6

NUT 5 Was 85D000006B - B

3

25E18

WASHER

4

6515600

HANDLE

5

10C512

BOLT carriage - Was 6553808 - A

6

35C616

BOLT 5 Was 17C000612B - B

7

6705216

WINDOW Was 6564829 - A

8

SEAL NLA - Purchase Locally

9

6564833

SAFETY TREAD

10

85D5

NUT 5

11

6564830

WINDOW

12

EXTRUSION NLA - 8.5' (2590,8mm) long - Order Ref. 31

13

6554149

CORD, BULK/FT bulk - sold per foot - Also Order Ref. 14 (6731478 exit tag) - Was 6554223

14

6731478

EXIT TAG exit - Was 6559515 - A

15

6555331

WIRE ROPE

16

6568164

SHIELD

17

25E15

WASHER

18

17C512

BOLT 5

19

6564831

HINGE

20

6564069

DOOR

21

6564832

HINGE

22

12D10

NUT

23

25E10

WASHER

24

1550695

HANDLE outside - W/Key

25

6555054

PLATE

26

17C516

BOLT

27

75G1020

SCREW

28

45G1008

BOLT

29

6555059

BRACKET

30

6598475

DOOR LATCH

31

6658352

MOULDING bulk - sold per foot

32

6566995

INSTRUCTIONS

Выбрано товаров: 32