Запчасти Bobcat 700s EUROPEAN ACCESSORIES ACCESSORIES & OPTIONS

Схема запчастей Bobcat 700s - EUROPEAN ACCESSORIES ACCESSORIES & OPTIONS
FIT
1:1
100%

Артикул

Название

Примечание

Количество

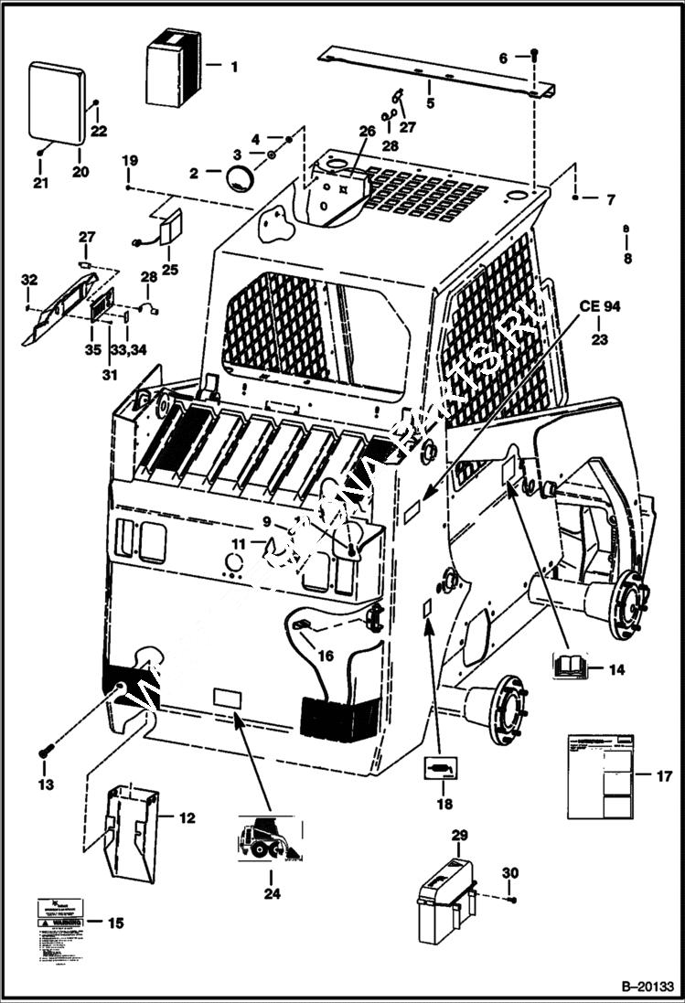
1

KIT SALES - European Accessories - Ref. 2-18

2

6653388

MIRROR convex

3

6518952

WASHER .26'' I.D. - 1'' O.D.

4

25E13

WASHER 5 .25'' I.D. - .75'' O.D.

5

6701852

SHIELD

6

35C616

BOLT 5

7

61D6

NUT 5

8

COVER NLA - grease - Order Ref. 18

9

55D4

NUT

10

35C412

BOLT

11

6709092

SHIELD exhaust - Use W/Steel Hood - Was 6704653 - A

12

6705100

TOOL HOLDER

13

9G636

BOLT 5

14

DECAL NLA - operator manual - located inside of cab - Was 6707971 - A

15

6708155

KIT handbook

16

6701883

STOP tailgate

17

6722300

INSTRUCTIONS For Ref. 12-14

18

6705340

DECAL, GREASE

19

6664221

RETAINER snap in

20

6633394

CONTAINER manuals

21

35C410

BOLT 5

22

83D4

NUT 10

23

DECAL NLA - CE94 - Was 6707814 - A

24

6595014

DECAL tow hook - Was 6707867 - A

25

6680326

LIGHT dome - Was 6664368 - A

25

6665367

BULB

25

6665353

SWITCH

26

6708426

PANEL

27

6664223

OUTLET

28

6664224

CAP

29

6708827

CONTAINER for manuals

30

6702642

SCREW

31

6669224

BOLT

32

6669091

CLIP

33

6668742

SWITCH travel control

34

6665314

PLUG Was 6719038 - A

35

6710527

PANEL

Выбрано товаров: 37