Запчасти Bobcat 700s EUROPEAN ACCESSORIES (Road Lights) ACCESSORIES & OPTIONS

Схема запчастей Bobcat 700s - EUROPEAN ACCESSORIES (Road Lights) ACCESSORIES & OPTIONS
FIT
1:1
100%

Артикул

Название

Примечание

Количество

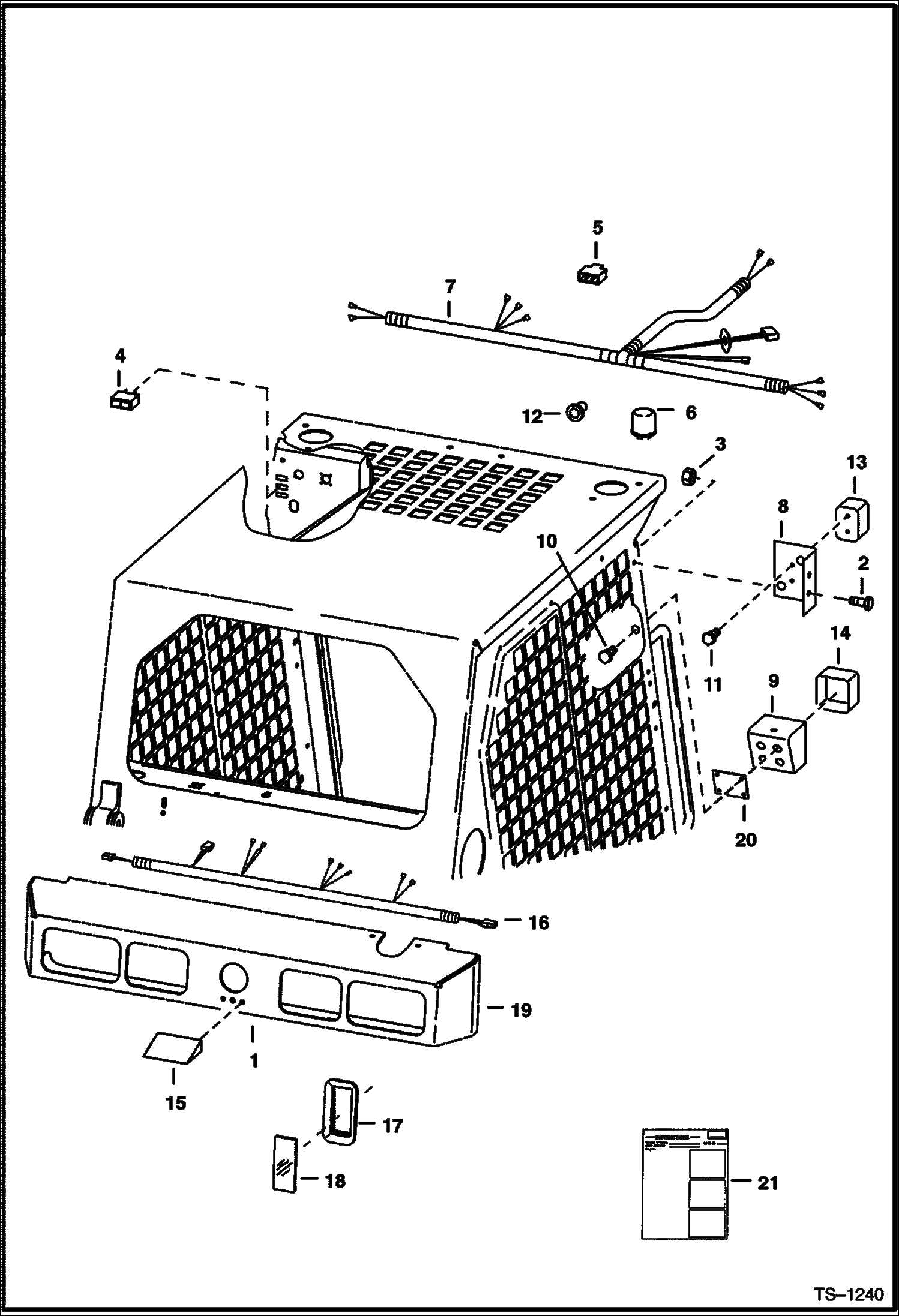
1

1DM6

NUT

2

35C410

BOLT 5

3

83D4

NUT 10

4

6665316

SWITCH hazard

5

6519548

CONNECTOR

6

6557904

FLASHER

7

6707672

HARNESS

8

6707706

MOUNT light

9

6707804

HOUSING light

10

17C508

BOLT

11

58G808

SCREW

12

6665757

LIGHT indicator

13

6665727

LIGHT

13

BULB NLA - 5W - Order 6666568 - Was 6666567 - A

13

6666568

BULB 21W

13

6666563

LENS

14

6665728

LIGHT front

14

6666570

BULB 40/45W

14

6666564

HOUSING

14

6666565

LENS

14

6666566

GASKET

15

6665729

LIGHT license plate

15

6666569

BULB 5W

16

6709048

HARNESS

17

6705774

MOUNT

18

6707789

LIGHT

18

6666568

BULB 21W

18

6668009

BULB 21/5W - Was 6667887 - A

19

6709990

HOOD Was 6705776 - D

20

6708824

MOUNT

21

6724072

INSTRUCTIONS

Выбрано товаров: 31