Запчасти Bobcat 700s SUSPENSION SEAT (Milsco) ACCESSORIES & OPTIONS

Схема запчастей Bobcat 700s - SUSPENSION SEAT (Milsco) ACCESSORIES & OPTIONS
FIT
1:1
100%

Артикул

Название

Примечание

Количество

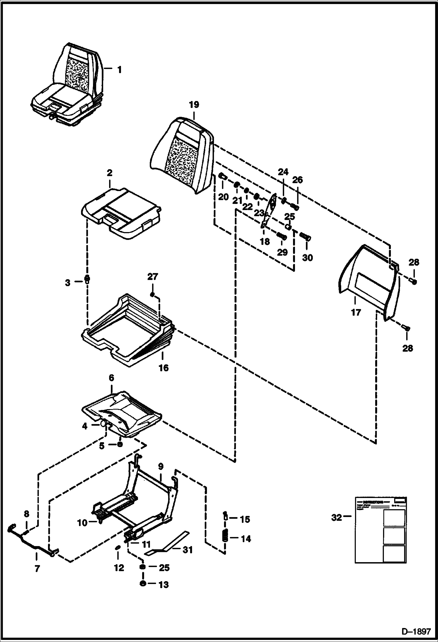
1

6707918

SEAT KIT Ref. 2 - 32- Order Ref. 31 - 32

2

6650226

SEAT CUSHION W/Ref. 3

3

6650231

CLIP

4

6650219

KNOB KIT W/Nut, Bushing

5

6650241

PUSH NUT

6

6650230

SEAT PAN W/Mounting Hardware

7

6650221

LATCH TILT W/Ref. 8 - W/Mounting Hardware

8

6650229

SPRING

9

FRAME NSS

10

6650228

TRACK

11

6599779

ADJUSTER Was 6650227 - A

12

6650242

TIP

13

61D5

NUT

14

6650222

SPRING

15

6650223

CABLE

16

6650243

BOOT

17

6650220

SHROUD W/Mounting Hardware

18

6650224

SUPPORT RH & LH Backrest

19

BACK CUSHION NLA - W/Mounting Hardware - Was 6650225 - A

20

NUT NLA - Was 6650244 - A

21

6650245

WASHER

22

WASHER NLA - Was 6650246 - A

23

6650247

WASHER

24

6650248

SPACER

25

6650249

SPACER

26

17C510

BOLT

27

6650250

WASHER

28

6650251

CLIP

29

6668717

SCREW shoulder

30

BOLT NLA - hex head bolt - 5/16'' x 5/8'' - grade 5 - Was 31C000510B - A

31

6706966

SPRING, SEAT PLATE

32

6724017

INSTRUCTIONS

Выбрано товаров: 32