Запчасти Bobcat 700s REAR DOOR MAIN FRAME

Схема запчастей Bobcat 700s - REAR DOOR MAIN FRAME
FIT
1:1
100%

Артикул

Название

Примечание

Количество

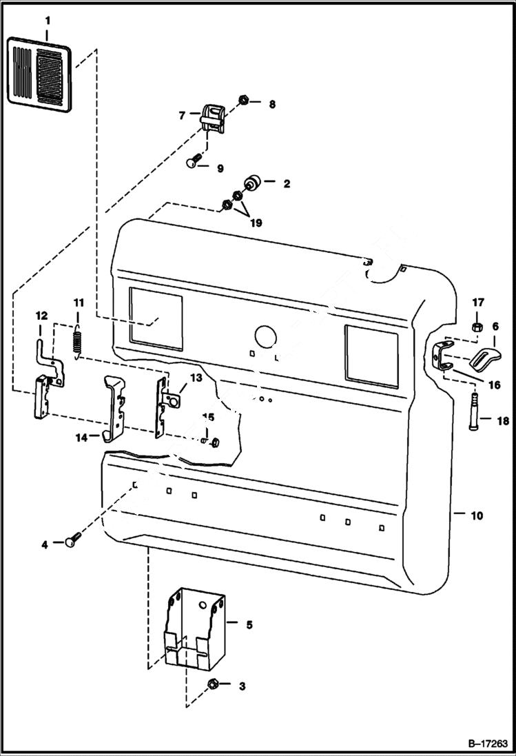
1

6670287

COVER See Illustration LIGHT KIT/ D2405 FOR LIGHT MOUNT

2

BUMPER NLA - Order 6655399 Bumper & (2) of Ref. 19 - Was 6714454 - A

2

6655399

BUMPER

3

55D6

NUT

4

37C612

BOLT

5

6715318

TOOL HOLDER Was 6714064 - A

6

6714126

DOOR STOP

7

6715157

STRIKER ASSY. Was 6579969 - A

8

57D8

NUT 10 Was 83D-8 - B

9

37C820

BOLT carriage

9

BOLT NLA - hex socket - Was 25G000820B - A

10

REAR DOOR See BTI357 NLA - Was 6711524 - A

11

6714210

SPRING

12

6670867

LATCH, REAR DOOR

13

6711664

GUIDE, LATCH latch

14

6711527

LATCH PLATE weld-on

15

31C420

BOLT 5

16

6733575

HINGE, REAR DOOR weld on - Was 6711526 - A

17

59D6

NUT

18

38C856

BOLT

19

61D5

NUT

Выбрано товаров: 21