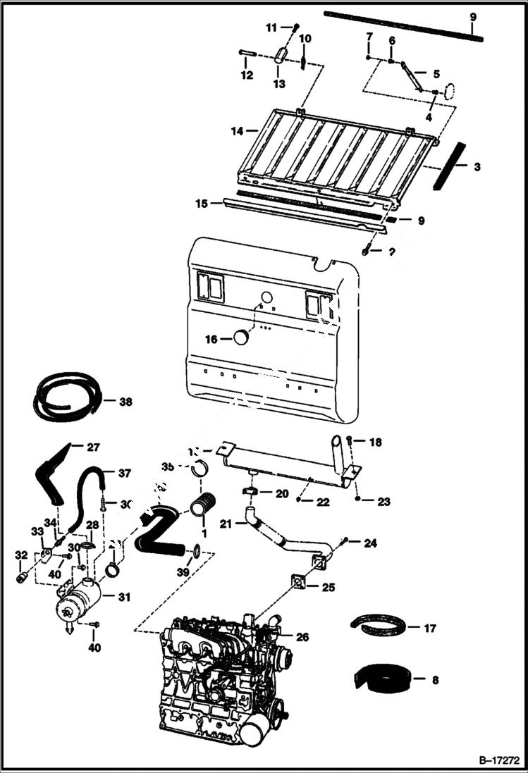
Запчасти Bobcat 700s ENGINE & ATTACHING PARTS (Air Cleaner, Muffler & Grill) POWER UNIT

Схема запчастей Bobcat 700s - ENGINE & ATTACHING PARTS (Air Cleaner, Muffler & Grill) POWER UNIT
FIT
1:1
100%

Артикул

Название

Примечание

Количество

1

6706393

SHIELD 5'' (127 mm) long

1

6706394

SHIELD 203 mm (8'') long

2

84G3112

BOLT 5

3

MOULDING NLA - Order Ref. 8 - 14.65 in. (372,1 mm) Long

4

6705052

BALL STUD weld on

5

6674285

GAS SPRING Was 6661805 - A

6

6649244

BALL STUD

7

61D5

NUT

8

6646705

SEAL bulk - sold per foot

9

FOAM STRIP NLA - Order Ref. 17 - 34.5 in. (876,3 mm) Long

10

6631418

RING, RETAINING

11

17C608

BOLT

12

6567743

PIN

13

6579326

MOUNT

14

6718291

GRILL Was 6705131 - A

15

6708981

BRACKET

16

6718796

PLUG Was 6660646 - A

17

6511855

SEAL self adhesive - bulk - sold per foot

18

35C612

BOLT

19

7100840

MUFFLER, EXHAUST Was 6671667 - A

20

6677363

CLAMP, FULL CIRCLE Was 657904B - A

21

6701151

PIPE

22

6661062

PLUG brass - 0.38''

23

83D6

NUT 5

24

6701123

SCREW

25

6575580

GASKET muffler

26

ENGINE See Illustration ENGINE & GASKET KITS/ B16450

27

6718237

HOSE Was 6703332 - A

28

42HL300

CLAMP Was 6598799 - A

28

42H52

CLAMP

29

HOSE NLA - W/Ref. 1 (6706393 Shield) & Ref. 35 - Was 6714889 - A

29

7100573

HOSE W/Ref. 1 (6706394 Shield) & (2) of Ref. 35

30

84G3708

SCREW

31

AIR CLEANER See Illustration AIR CLEANER/ B17228

32

6515007

GAUGE dust

33

6704823

BRACKET

34

6505813

CONNECTOR barbed

35

6664004

CLAMP W/Ref. 1 (6706393 Shield)

35

6664004

CLAMP Use W/Ref. 1 (6706394 Shield)

36

6563452

FITTING barbed

37

HOSE NLA - Order Ref. 38 - 12 in. (304,8 mm) long

38

6557720

HOSE bulk - Sold Per Foot

39

42H32

HS CLAMP5

40

84G3712

BOLT 5

Выбрано товаров: 44