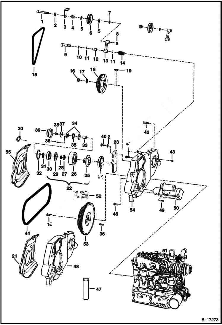
Запчасти Bobcat 700s ENGINE & ATTACHING PARTS (Belt Drive System) POWER UNIT

Схема запчастей Bobcat 700s - ENGINE & ATTACHING PARTS (Belt Drive System) POWER UNIT
FIT
1:1
100%

Артикул

Название

Примечание

Количество

1

73G656

SCREW

2

6704484

WASHER thrust

3

6702474

RETAINER fan drive idler belt

4

6704443

BUSHING spacer

5

6660995

GREASE RING grease

6

6662997

PULLEY, FAN DRIVE IDLER fan drive idler

7

6704444

WASHER

8

61D6

NUT 5

9

38C820

SCREW shoulder

10

6655781

BEARING

11

6704820

O-RING

12

6670682

BEARING nylon

13

6725212

ARM W/Ref. 12 - Was 6703507 - A

14

6700115

SPRING, TORSION

15

6669034

BELT, FAN fan - 41.3 in. (1049 mm) long

16

92D12

NUT

17

6576033

WASHER

18

6704424

PULLEY, PUMP HYD to hyd. pump

19

6J807

KEY, WOODRUFF

19

6682261

KEY square key

20

6703022

CLIP

21

6704450

SHIELD

22

6735884

IDLER ASSY. spring loaded - Ref. 23-39 - Also Order Ref. 52 - Was 6711698 - A

23

6735883

BRACKET Was 6708767 - A

24

6705491

SPRING torsion

25

6711699

HUB ASSY. Order Ref. 22

26

6704391

PULLEY idler

27

6685735

SEAL Was 6661112 - A

28

6703168

BEARING thrust

29

6664209

SEAL

30

6668114

BEARING ball - Order Ref. 22

31

6658536

RING

32

6658847

RING

33

6682442

SLEEVE bronze sleeve - Was 6704393 - A

34

6705231

WASHER

35

6710585

WASHER wave spring

36

6713370

PIN Was 14J001808B - A

37

6705232

WASHER

38

43C610

BOLT pre-applied thread locker - Was 17C610 - B

39

6708770

CAP dust

40

17C620

BOLT

41

6CM1230

BOLT

42

17C828

BOLT hyd pump mount

43

85D8

NUT, 5

44

6667322

BELT pump drive - 3 groove

44

6672445

BELT pump drive - 3 groove

45

6598275

BOLT Was 6652487 - A

46

5CM1025

BOLT

47

6903122

GREASE, MULTI PURPOSE #2 - 10 Use W/Ref. 22 - Was 6599719 - A

48

MOUNT NLA - Order Ref. 54 & 55 - It may be necessary to reposition the battery & battery pan - Was 6700541 - A

49

35C620

BOLT 5

50

STARTER See Illustration STARTER/ D2297

51

ENGINE See Illustration ENGINE & GASKET KITS/ B16450

52

6709030

DECAL belt tension - spring loaded idler

53

6714430

FLYWHEEL ASSY. W/Ring gear

53

6715166

FLYWHEEL ASSY. W/Ring gear

53

6510470

RING GEAR

54

6726613

MOUNT, ENG Was 6728062 - A

55

7109712

SHIELD Was 6726938 - A

Выбрано товаров: 59