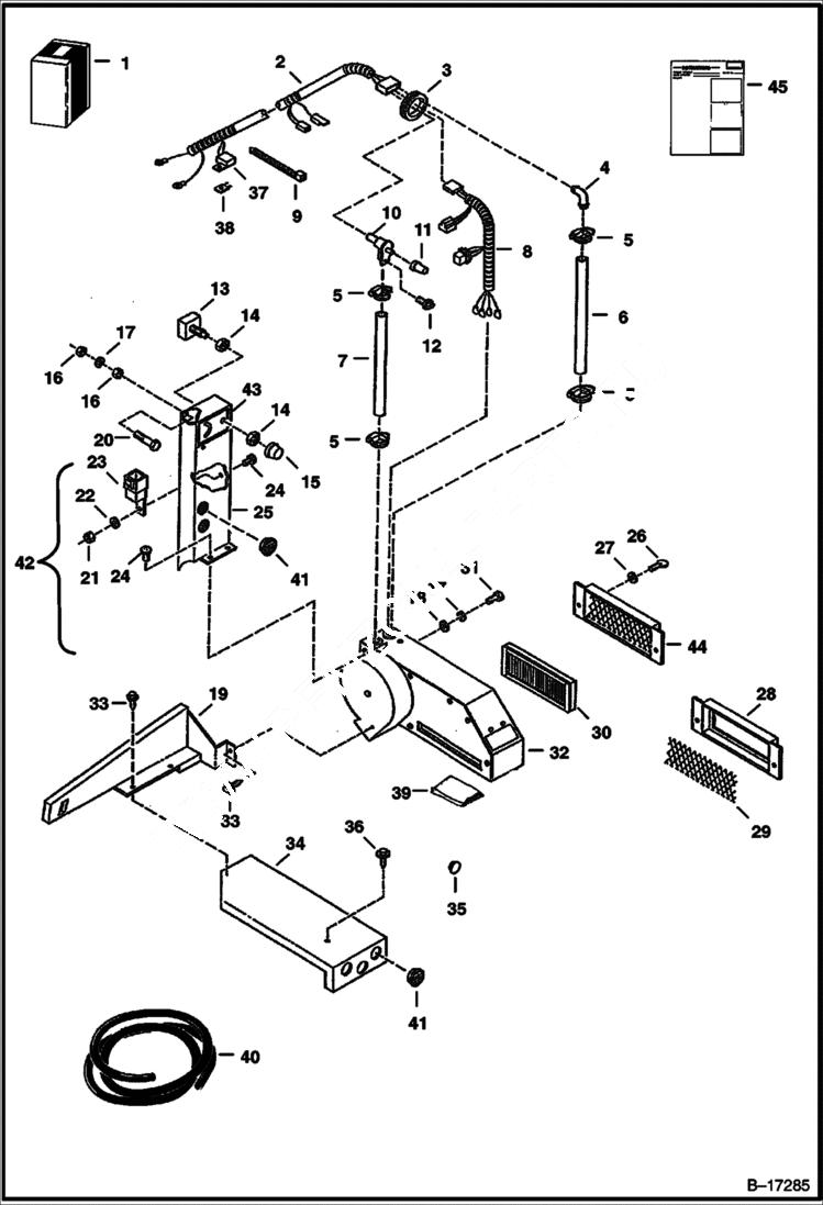
Запчасти Bobcat 700s HEATER KIT (Fresh Air) ACCESSORIES & OPTIONS

Схема запчастей Bobcat 700s - HEATER KIT (Fresh Air) ACCESSORIES & OPTIONS
FIT
1:1
100%

Артикул

Название

Примечание

Количество

1

6713379

KIT See Illustration HEATER PLUMBING KIT/ C3304 REF. 2 - 27 & 30 - 45 - FOR HEATER PLUMBING KIT

2

6660894

HARNESS W/Ref. 37 & 38

3

6512067

GROMMET

4

6660879

ELBOW

5

42H10

HOSECLAM5 worm gear

5

5HM24

CLAMP constant tension

6

HOSE NLA - Order Ref. 40 - 17 in. (431,8 mm) long

7

HOSE NLA - Order Ref. 40 - 19 in. (482,6 mm) long

8

6660892

HARNESS

9

6660883

TIE

10

6654191

VALVE

11

6660881

KNOB water valve

12

6660884

SCREW

13

6660659

SWITCH fan

14

6624435

NUT

15

6660822

KNOB

16

6670142

NUT

17

4E4

WASHER

18

25E14

WSHR

19

6669650

VENT side

20

6670144

BOLT

21

6641065

NUT

22

6641072

WASHER

23

6651975

SWITCH relay - Was 6670141 - A

24

6641066

SCREW

25

6850026

COVER Also Order (2) Ref. 41

26

6660930

THUMBSCREW

27

25E10

WASHER

28

COVER NLA - Order Ref. 44 - Was 6660886 - A

29

SCREEN NLA - Order Ref. 44 - Was 6660891 - A

30

6660880

FILTER, AIR HEATER CAB

31

17C412

BOLT 5

32

HEATER See Illustration HEATER/ D2181

33

6705792

SCREW

34

6669652

DUCT under seat - Also Order (3) of Ref. 41

35

6657719

PLUG 0.75'' dia hole

36

84G3120

SCREW

37

6657306

CAP, FUSE

38

6702444

FUSE 25A 5

39

MOULDING NLA

40

889269

HOSE BULK/FT bulk - Sold Per Foot

41

6660885

LOUVER

42

6660890

COVER ASSY. Ref. 21-23, 25 & 43

43

6660865

DECAL fan & valve

44

6674151

COVER

45

6724384

INSTRUCTIONS

Выбрано товаров: 0