Запчасти Bobcat 700s HEATER ACCESSORIES & OPTIONS

Схема запчастей Bobcat 700s - HEATER ACCESSORIES & OPTIONS
FIT
1:1
100%

Артикул

Название

Примечание

Количество

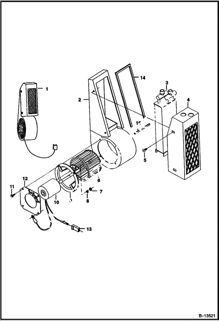
1

6658693

HEATER

2

6648469

HOUSING

3

6648471

CORE

4

6648472

COVER

5

6648470

SCREW

6

6648468

FAN

7

6641073

NUT

8

6641072

WASHER

9

6648467

MOUNT

10

6648466

MOTOR the housing is one solid piece and is 4.5'' long

11

6641062

SCREW

12

6659890

SHIELD

13

6648460

CONNECTOR

14

6659891

MOULDING

15

6659892

MOULDING

Выбрано товаров: 15