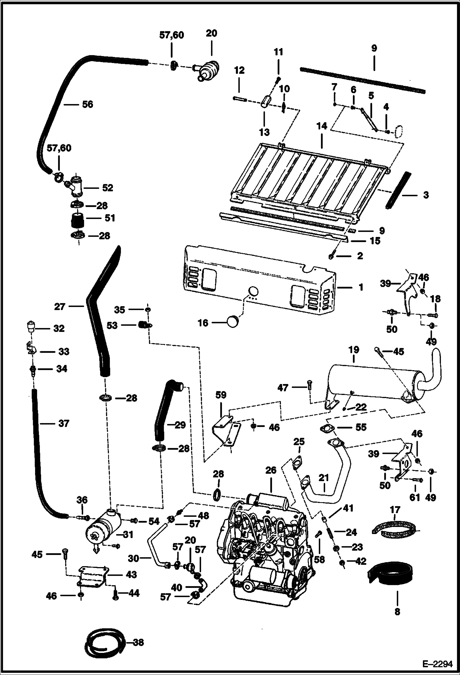
Запчасти Bobcat 700s ENGINE & ATTACHING PARTS (Air Cleaner, Muffler & Grill) POWER UNIT

Схема запчастей Bobcat 700s - ENGINE & ATTACHING PARTS (Air Cleaner, Muffler & Grill) POWER UNIT
FIT
1:1
100%

Артикул

Название

Примечание

Количество

1

6709093

HOOD DOM. - WAS 6709990 - D

1

6703868

HOOD Dom.

1

6709990

HOOD Eur.

1

6705776

HOOD Eur.

2

84G3112

BOLT 5

3

MOULDING NLA - 14.65'' (372,1 mm) - Order Ref. 8

4

6705052

BALL STUD weld on

5

6674285

GAS SPRING Was 6661805 - A

6

6649244

BALL STUD

7

61D5

NUT

8

6646705

SEAL bulk - sold per foot

9

FOAM STRIP NLA - 34.5'' (876,3 mm) - Order Ref. 17

10

6631418

RING, RETAINING

11

17C608

BOLT

12

6567743

PIN

13

6579326

MOUNT

14

GRILL See BTI309 NLA - Was 6708982 - A

14

6718291

GRILL See BTI309 Was 6705131 - A

15

6708981

BRACKET See BTI309

15

6703471

BRACKET See BTI309

16

6718796

PLUG Was 6660646 - A

17

6511855

SEAL self adhesive - bulk - sold per foot

18

6667280

BOLT

19

6665627

MUFFLER Left side discharge

19

6669064

MUFFLER Right side discharge

20

6667225

REGULATOR pcv

21

6709536

PIPE

22

6661062

PLUG brass - 0.38''

23

6667270

WASHER

24

6666273

STUD Was 6667272 - A

25

6708679

GASKET Was 6667271 - A

26

ENGINE See Illustration ENGINE/ B20056

27

6708660

HOSE Use W/2.0'' (50,8 mm) high bracket under air cleaner

27

6712729

HOSE Use W/4.0'' (101,6 mm) high bracket under air cleaner

28

44H40

CLAMP Was 44H000048B - B

29

6712356

HOSE Was 6709767 - A

29

6712356

HOSE

29

6713402

HOSE

29

6713402

HOSE

30

HOSE NLA - Was 6670301 - A

31

AIR CLEANER See Illustration AIR CLEANER/ B20074

32

6515007

GAUGE dust

33

6704823

BRACKET Was 6709745 - D

34

6505813

CONNECTOR barbed

35

1CM1020

BOLT

36

6563452

FITTING Was 6515156 - A

37

HOSE NLA - 11'' (279,4 mm) - Order Ref. 38

38

6557720

HOSE bulk - Sold Per Foot

39

BRACKET See BTI311 NLA - Was 6709535 - A

39

39

BRACKET See BTI311 NLA - Was 6711829 - A

39

39

6713819

BRACKET

39

6713819

BRACKET

40

6670300

HOSE

41

6625291

SPACER

42

6662555

NUT

43

6708766

BRACKET 2.0'' (50,8 mm) high

43

6712646

BRACKET 4.0'' (101,6 mm) high

44

1CM816

BOLT

45

17C620

BOLT

46

61D6

NUT 5

47

17C616

BOLT 5

48

ADAPTER NLA - Was 6670852 - A

49

1DM8

NUT

50

STUD NLA - Was 6669258 - A

51

6712357

HOSE 5.00'' (127 mm)

51

6712728

HOSE 3.50'' (88,9 mm)

52

6712264

FITTING

53

30H50

CLIP

54

24K5

PLUG

55

6708679

GASKET

56

6578170

HOSE 37'' (939,8 mm) bulk - Sold Per Foot

57

44H16

CLAMP

58

54CM825

BOLT

59

6708677

MOUNT

60

CLAMP NLA - constant tension - Was 5HM-32 - A

61

1CM820

BOLT

Выбрано товаров: 78