Качественные детали и логистика
Оригинальные и аналоговые запчасти с доставкой по России, Казахстану и Беларуси
©2022 PartSell ООО "Система" ИНН 2463123282 ОГРН 1212400004838
Центральный офис: г. Красноярск, Академика Киренского, д.87, пом.4
Телефон: 8 (800) 777-65-74 Email: zakaz@partsell.ru
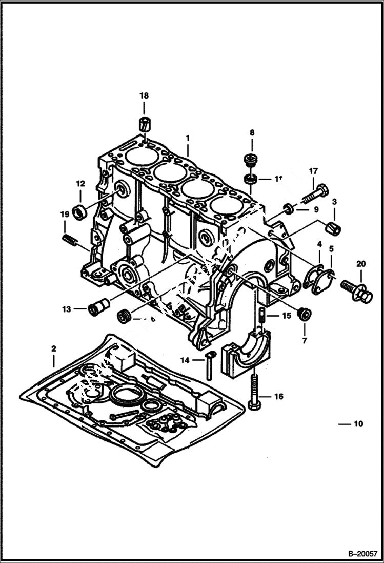
CYLINDER BLOCK
№
Артикул
Название
Примечание
Количество
1
ENGINE NLA - Order 6672488REM engine - Was 6667029 - A
2
6667030
GASKET KIT Complete
3
6662365
PIN
4
6662362
GASKET
5
6662363
PLATE
6
6662366
THREADED PLUG
7
6667032
8
6667033
DRAIN PLUG
9
6662360
GASKET Was 6667034 - A
10
6667035
11
6662357
12
6662355
PLUG 27 mm
6667036
PLUG 27,5 mm
6667037
PLUG 28,5 mm
13
6662359
NIPPLE
14
6662386
BEARING SEAL
15
6667038
16
6662388
BOLT
17
BOLT NLA - Was 6662361 - A
18
6662356
19
6662353
DOWEL pin
20
6667376
Выбрано товаров: 0