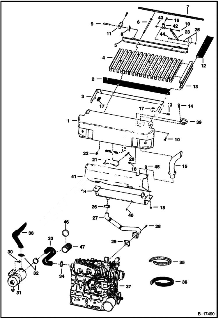
Запчасти Bobcat 700s ENGINE & ATTACHING PARTS (Air Cleaner, Muffler & Grill) (S/N 5086 11733 & Below) POWER UNIT

Схема запчастей Bobcat 700s - ENGINE & ATTACHING PARTS (Air Cleaner, Muffler & Grill) (S/N 5086 11733 & Below) POWER UNIT
FIT
1:1
100%

Артикул

Название

Примечание

Количество

1

HOOD See BTI262 NLA - plastic - Order 6704401 Steel Hood Kit - Was 6578046 - A

2

6577522

GRILL SEAL

3

6578361

BRACKET

4

6576647

GRILL

5

6579327

CHANNEL

6

7C5208

BOLT

7

MOULDING NLA - Order Ref. 35 - 34.5'' (876,3 mm) long

8

6631418

RING, RETAINING

9

6567743

PIN

10

17C612

BOLT 5

11

6579326

MOUNT

12

MOULDING NLA - 12'' (304,8mm) long - Was 6576642 - A

13

6576640

CHANNEL

14

6657701

RIVET Was 6513493 - B

15

6700169

TUBE exhaust

16

84G3116

SCREW

17

MOULDING NLA - Order Ref. 36 - 1.5'' (38,1 mm) long

18

83D6

NUT 5

19

MOULDING NLA - Order Ref. 35 - 7'' (177,8 mm) long

20

58G2520

BOLT

21

6578362

MOUNT

22

83D5

NUT 5

23

GAS SPRING NLA - Order 6674285 qty (1), 6705052 qty (1), 6649244 qty (1) & 61D5 qty (1) - Was 6652946 - A

24

6658175

MUFFLER, SPARK ARRESTOR

25

61D6

NUT 5

26

6677363

CLAMP, FULL CIRCLE Was 657904B - A

27

6701151

PIPE

28

6701123

SCREW

29

6575580

GASKET muffler - Was 6598088 - A

30

84G3708

SCREW

31

6700711

AIR CLEANER See Illustration AIR CLEANER/ B17498 Was 6647788 - A

32

42HL300

CLAMP Was 6598799 - A

33

6705281

HOSE W/Ref. 46 & 47 - Was 6701150 - A

34

42H32

HS CLAMP5 Was 42H000024B - B

35

6511855

SEAL self adhesive - bulk - sold per foot

36

6512686

MOULDING bulk - sold per foot - Was 6620417 - A

37

ENGINE See Illustration ENGINE & GASKET KITS/ B16450 See BTI314 NLA - Was 6653482

38

6703332

HOSE Was 6701148 - A

39

6578710

RING

40

6661062

PLUG brass - 0.38'' - Was 866104B - B

41

6703812

SHIELD Was 6701186 - A

42

6700351

BRACKET gas spring

43

85D6

NUT, 5

44

17C624

BOLT 5

45

35C612

BOLT

46

6664004

CLAMP

47

6706393

SHIELD 5'' (127 mm) long

Выбрано товаров: 47