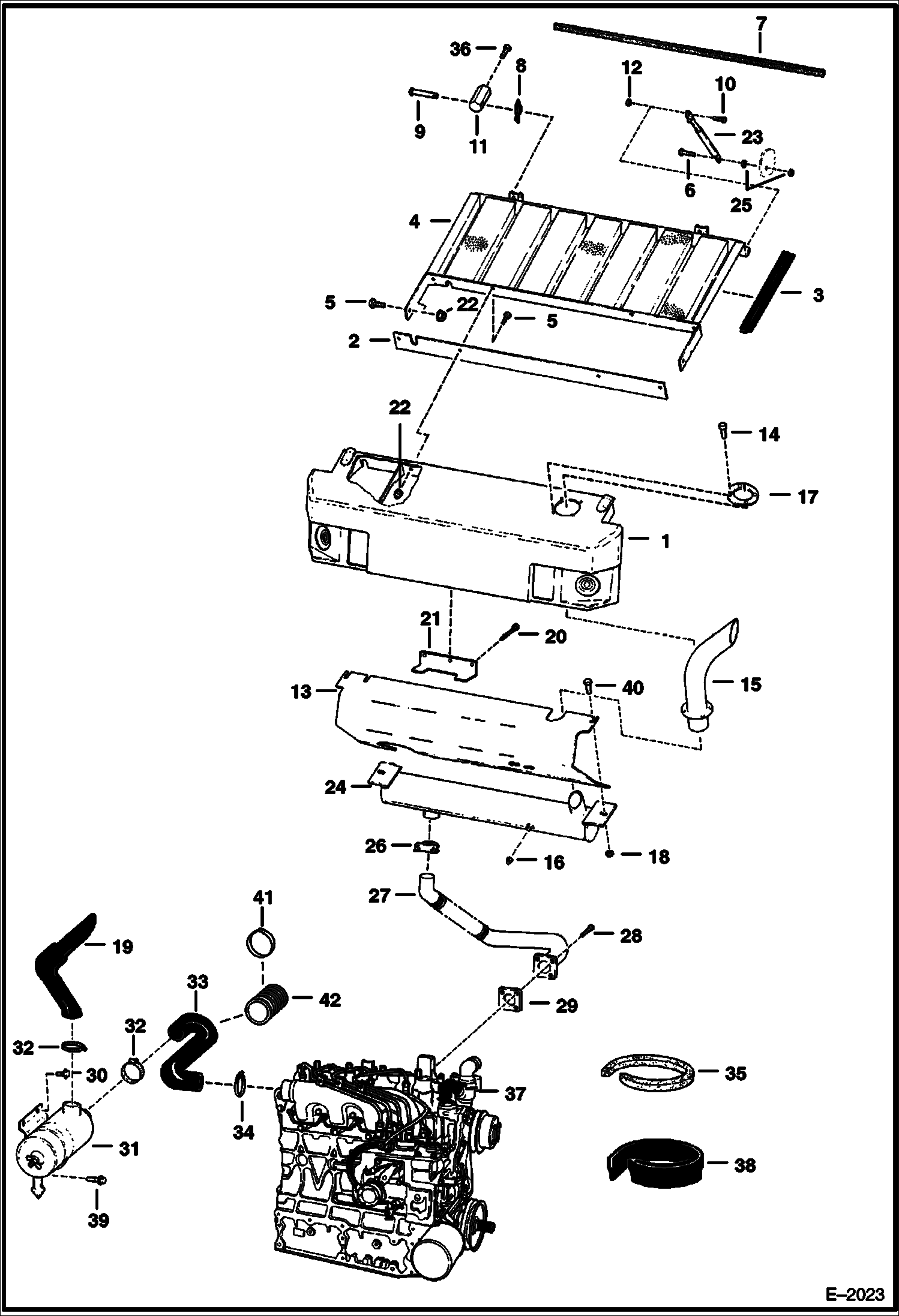
Запчасти Bobcat 700s ENGINE & ATTACHING PARTS (Air Cleaner, Muffler & Grill) (S/N 5086 11734-17641) POWER UNIT

Схема запчастей Bobcat 700s - ENGINE & ATTACHING PARTS (Air Cleaner, Muffler & Grill) (S/N 5086 11734-17641) POWER UNIT
FIT
1:1
100%

Артикул

Название

Примечание

Количество

1

HOOD See Illustration HOOD KIT/ TS1096 NLA - plastic - Order 6704401 Steel Hood Kit - Was 6701629 - A

2

6701237

GRILL SEAL

3

MOULDING NLA - Order Ref. 38 - 11.41'' (289,8 mm) long

4

6701242

GRILL

5

17C512

BOLT 5

6

17C624

BOLT 5

7

FOAM STRIP NLA - Order Ref. 35 - 34.5'' (876,3 mm) long

8

6631418

RING, RETAINING

9

6567743

PIN

10

17C612

BOLT 5

11

6579326

MOUNT

12

85D6

NUT, 5

13

6703812

SHIELD Was 6701186 - A

14

6657701

RIVET

15

6700169

TUBE exhaust

16

6661062

PLUG brass - 0.38'' - Was 866104B - B

17

6578710

RING

18

83D6

NUT 5

19

6703332

HOSE Was 6701148 - A

20

58G2512

SCREW

21

6578362

MOUNT

22

83D5

NUT 5

23

GAS SPRING NLA - Order 6674285, (2) of 6649244 & (2) of 61D-5 - Was 6674285 - A

23

6674285

GAS SPRING

24

6658175

MUFFLER, SPARK ARRESTOR

25

61D6

NUT 5

26

6677363

CLAMP, FULL CIRCLE Was 657904B - A

27

6701151

PIPE

28

6701123

SCREW

29

6575580

GASKET muffler - Was 6598088 - A

30

84G3708

SCREW

31

6700711

AIR CLEANER See Illustration AIR CLEANER/ B17498

32

42HL300

CLAMP Was 6598799 - A

33

6705281

HOSE W/Ref. 41 & 42 - Was 6701150 - A

34

42H32

HS CLAMP5 Was 42H000024B - B

35

6511855

SEAL self adhesive - bulk - sold per foot

36

17C608

BOLT

37

ENGINE See Illustration ENGINE & GASKET KITS/ B16450 See BTI314 NLA - Was 6653482

38

6646705

SEAL bulk - sold per foot

39

84G3712

BOLT 5

40

35C612

BOLT

41

6664004

CLAMP

42

6706393

SHIELD 5'' (127 mm) long

Выбрано товаров: 0