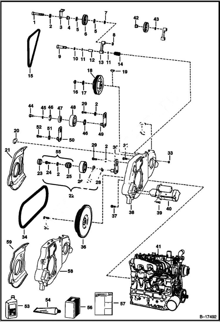
Запчасти Bobcat 700s ENGINE & ATTACHING PARTS (Belt Drive System - W/Fixed Idler) POWER UNIT

Схема запчастей Bobcat 700s - ENGINE & ATTACHING PARTS (Belt Drive System - W/Fixed Idler) POWER UNIT
FIT
1:1
100%

Артикул

Название

Примечание

Количество

1

73G648

BOLT Was 17C000636B - B

1

73G656

SCREW

2

6704484

WASHER thrust - Was 664962 - A

3

6702474

RETAINER fan drive idler belt

4

6704443

BUSHING spacer

5

6660995

GREASE RING grease

6

6662997

PULLEY, FAN DRIVE IDLER fan drive idler - Was 6653253 - B

7

6704444

WASHER

8

61D6

NUT 5

9

38C820

SCREW shoulder - Was 6577807 - A

10

6655781

BEARING Was 25E000017B - B

11

6704820

O-RING Was 58K000014B - B

12

BEARING NLA - bronze - Was 6655780 - A

12

6670682

BEARING nylon

13

6725212

ARM W/Ref. 12 - Was 6703507 - C

14

6700115

SPRING, TORSION

15

6669034

BELT, FAN fan - 41.3'' (1049 mm) long - Was 6701158 - A

16

92D12

NUT Was 86D000012B - B

17

6576033

WASHER Was 6558465 - B

18

6704019

PULLEY to hyd. pump - 2 groove - Was 6577759 - A

18

6704424

PULLEY, PUMP HYD to hyd. pump - 3 groove - 7.4'' (188 mm) dia.

18

6726539

PULLEY to hyd. pump - 7.95'' (202 mm) dia.

19

6J807

KEY, WOODRUFF

20

6703022

CLIP Was 6578227 - A

21

6704450

SHIELD Use W/Ref. 18 (6704424 Pulley) - Was 6702830 - A

21

6726938

SHIELD Use W/Ref. 18 (6726539 Pulley)

22

IDLER ASSY. See Illustration ENGINE & ATTACHING PARTS/ B17449 See BTI266 NLA - fixed - Ref. 2 & 23-28 & 30 - Order 6711698 Spring Loaded Idler Assy. & 6711905 Decal - Was 6708376 - A

23

6660967

CAP grease

24

35C612

BOLT

25

BEARING NLA - Order Ref. 55

26

6704416

PULLEY idler - Also Order Ref. 55

27

6661066

SEAL Also Order Ref. 28

28

6661070

SLEEVE wear - Also Order Ref. 27

29

17C620

BOLT Was 35C000628B - B

30

6708625

BRACKET Was 6705447 - A

31

6CM1230

BOLT

32

17C828

BOLT hyd pump mount

33

85D8

NUT, 5

34

6660345

BELT pump drive - Use W/Ref. 18 (6704019 pulley) & Ref. 36 (6700384 flywheel) - Was 6656250 - A

34

6660994

BELT, DRIVE pump drive - Use W/Ref. 18 ((6704424 pulley) & Ref. 36 (6704874 flywheel)

35

6598275

BOLT Was 6652487 - A

36

6700384

FLYWHEEL ASSY. 2 groove

36

FLYWHEEL ASSY. NLA - 3 groove - Was 6704422 - A

36

6704874

FLYWHEEL ASSY. 3 groove - W/cooling fins

36

6510470

RING GEAR

37

5CM1025

BOLT

38

MOUNT NLA - Order Ref. 58 & 59 - Was 6700541 - A

39

35C620

BOLT 5 Was 17C000616B - B

40

STARTER See Illustration STARTER/ D2119

41

ENGINE See Illustration ENGINE & GASKET KITS/ B16450

42

6703566

BUSHING Was 6578452 - B

43

25E17

WASHER 5

44

17C612

BOLT 5

45

25E18

WASHER

46

6653758

SNAP RING

47

BEARING NLA - Order Ref. 21 & 22 - Was 6651452 - A

48

PULLEY NLA - Order Ref. 21 & 22 - idler - Was 6702951 - A

49

BRACKET NLA - Order Ref. 21 & 22 - Was 6702720 - A

50

BRACKET NLA - Order Ref. 21 & 22

51

ADAPTER NLA - Order Ref. 21 & 22 - Was 6702036 - A

52

17C628

BOLT

53

6661405

OIL Use W/Ref. 22

54

6633583

SEALANT, POLYURETHANE 300 ML Use W/Ref. 23 & 26 and 28 & 30

55

6722248

REPAIR KIT bearing - Ref. 23, 25, 27 & 28

56

6704819

KIT 3-groove drive belt - Ref. 1, 2, 4, 5, 7, 8, 18, 21, 22, 34, 36 & 57 - Was SALES - D

57

6722236

INSTRUCTIONS

58

6728062

MOUNT

59

6726938

SHIELD

Выбрано товаров: 68