Запчасти Bobcat 700s COOLING FAN DRIVE ASSY. POWER UNIT

Схема запчастей Bobcat 700s - COOLING FAN DRIVE ASSY. POWER UNIT
FIT
1:1
100%

Артикул

Название

Примечание

Количество

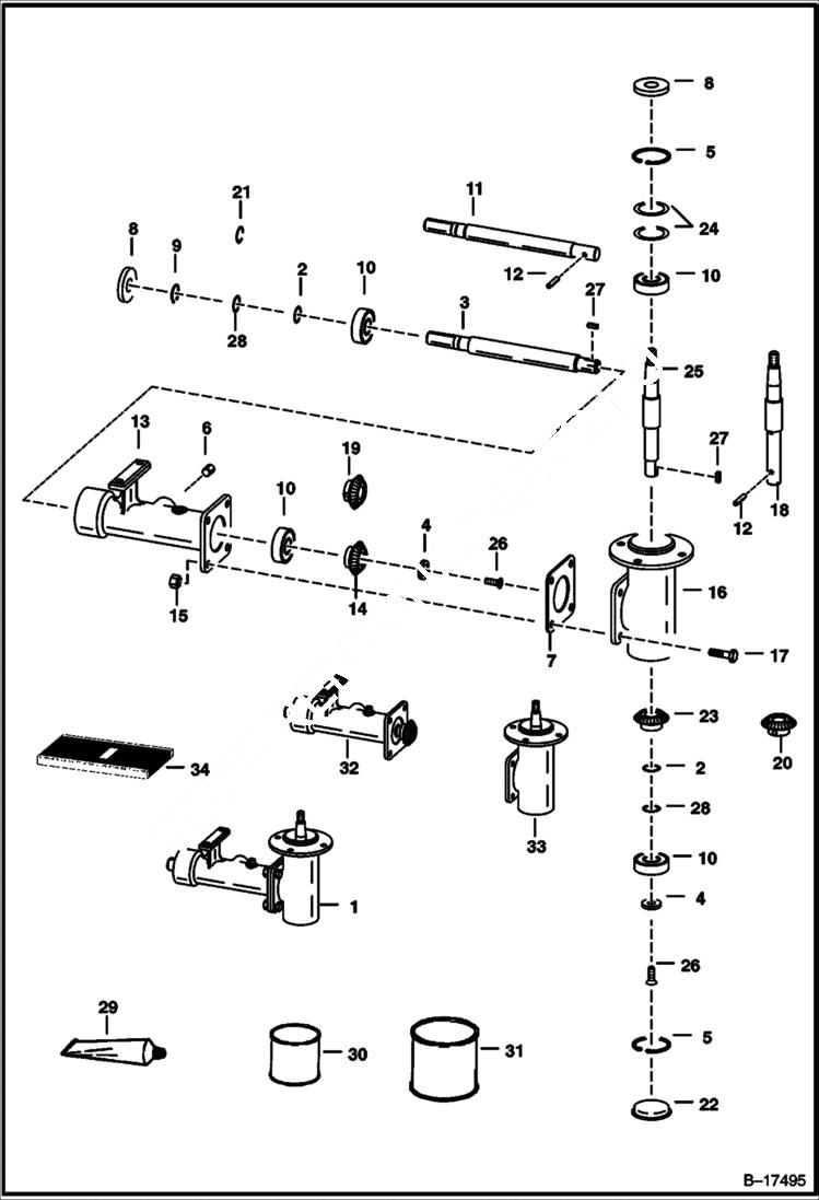
1

HOUSING ASSY. NLA - Ref. 2-22 - Order 6702138 - Was 6701406 - A

1

HOUSING ASSY. See Illustration COOLING FAN DRIVE ASSY./ PE2349 NLA - Ref. 2-10, 13-17 and 22-28 - Order 6734104 Housing Assy. - Was 6702138 - A

2

6701159

SHIM .005'' (0,13mm) thickness - 1'' (25,4mm) OD - D

3

6702137

SHAFT keyed - Was NSS - D

4

WASHER NLA - countersink - Was 6702140 - A

5

6653758

SNAP RING

6

16F8

PLUG

7

6578284

SHIM .003'' (0,08 mm) thickness - Was NSS - D

8

6653702

SEAL, OIL

9

6653757

SNAP RING

10

6646627

BEARING Was NSS - D

11

SHAFT NLA - Order 6702138 - Was 6579642 - A

12

14J2520

PIN

13

6579641

HOUSING Was NSS - D

14

6702103

GEAR, PINION keyed - Was NSS - D

15

95D6

NUT Was 61D000006B - B

16

HOUSING NSS - Order 6702138 or Ref. 33

17

17C620

BOLT

18

SHAFT NSS - Order 6702138 - Was 6579718 - A

19

GEAR NLA - Order 6702138 - Was 6577223 - A

20

GEAR NLA - Order 6702138 - Was 6577222 - A

21

SHIM NSS - Order 6702138

22

6700782

CAP grease

23

6702102

GEAR keyed - Was NSS - D

24

6702166

SHIM .0002'' (0,05mm) thickness - 2'' (50,8mm) OD - D

24

6702144

SHIM .005'' (0,13mm) thickness - 2'' (50,8mm) OD - D

25

6702135

SHAFT keyed - Was NSS - D

26

9G512

SCREW

27

7J2010

KEY

28

6702165

SHIM .002'' (0,05mm) thickness - 1'' (25,4mm) OD - D

29

6672486

SEALANT Use W/Ref. 7 & 22 - Was 6633583 - B

30

6903121

LUBE, GEAR 12 gear - 1 pint - Was 6634393 - A

31

6651854

LUBRIPLATE 1 gallon

32

HOUSING ASSY. NLA - half - Order Ref. 1 - Was 6707078 - A

33

HOUSING ASSY. NLA - half - Order Ref. 1 - Was 6707077 - A

34

6669384

SPEEDI SLEEVE for .785'' - .789'' (19,94 mm - 20,04 mm) dia. shaft

34

6692357

SPEEDI SLEEVE for .780'' - .784'' (18,81 mm - 19,91 mm) dia. shaft

Выбрано товаров: 37