Запчасти Bobcat 700s HAND CONTROL KIT (S/N 5086 13487 & Below) ACCESSORIES & OPTIONS

Схема запчастей Bobcat 700s - HAND CONTROL KIT (S/N 5086 13487 & Below) ACCESSORIES & OPTIONS
FIT
1:1
100%

Артикул

Название

Примечание

Количество

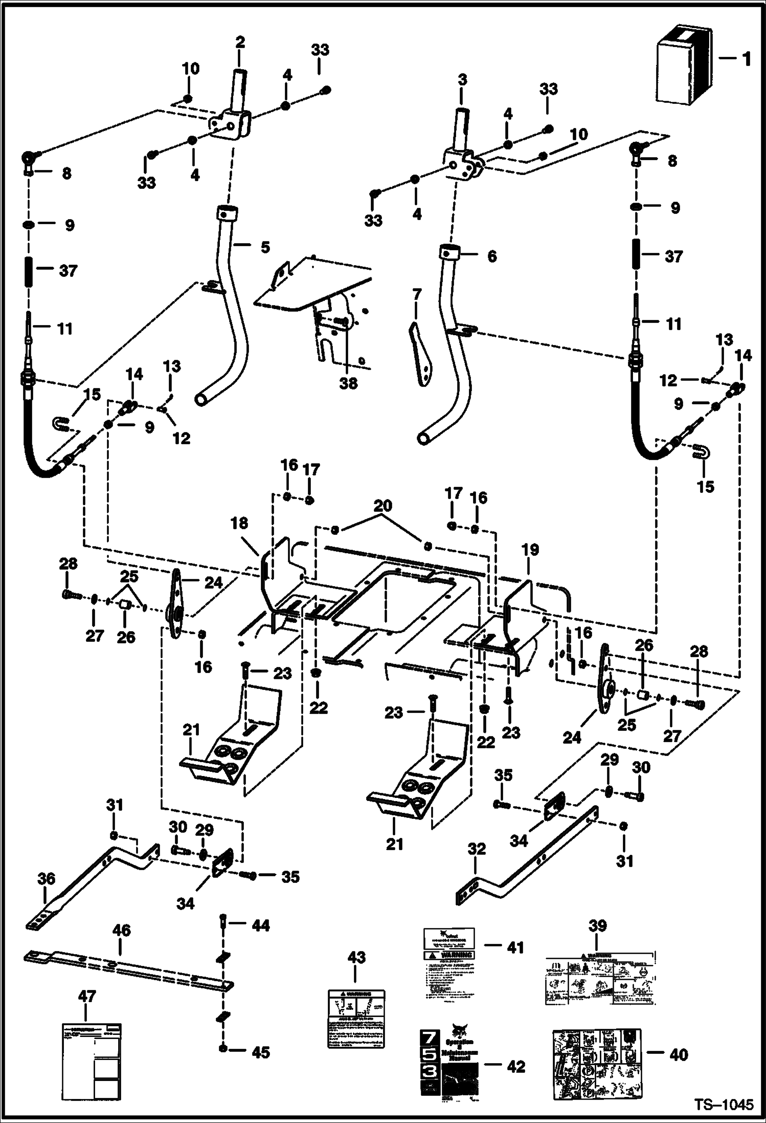
1

KIT NLA - Ref. 2 - 47 - Was 6703007 - A

2

6702992

LEVER

3

6702993

LEVER

4

6702990

BUSHING bronze sleeve

5

6702787

LEVER

6

6702791

LEVER

7

6702775

LEVER throttle

8

6631036

JOINT

9

8D4

NUT

10

86D4

NUT

11

6658613

CABLE

12

4F4051

PIN

13

6513495

COTTER PIN

14

2J4200

CLEVIS

15

6592766

U-BOLT

16

83D5

NUT 5

17

46D5

NUT

18

6706420

MOUNT cable - Was 6702778 - A

19

6706421

MOUNT cable - Was 6702777 - A

20

85D6

NUT, 5

21

6702776

BRACKET

22

57D6

NUT 5

23

37C620

BOLT carriage

24

6706281

BELLCRANK W/Ref. 26 - Was 6704292 - A

25

58K014

O-RING 10

26

6702782

BUSHING bronze - Not in Kit

27

6655781

BEARING thrust

28

38C816

BOLT shoulder

29

6563914

WASHER

30

38C610

BOLT Was 6704285 - B

31

85D4

NUT 5

32

6702774

LINK tilt

33

38C606

BOLT shoulder

34

6658682

BEARING swivel

35

17C410

BOLT 10

36

6702773

LINK lift

37

6658930

BOOT

38

25G612

SCREW socket hex head

39

6702997

DECAL warning

40

6702996

DECAL operating

41

6703280

HANDBOOK W/wire rope

41

6558309

WIRE ROPE bulk - sold per foot - Also Order (2) of 6558310 sleeve

41

6558310

SLEEVE wire rope

42

6720671

MANUAL operator

43

6703403

DECAL warning

44

38C612

BOLT

45

59D6

NUT

46

LINK See Illustration CONTROL PEDALS/ D1883 Not in Kit

47

6720672

INSTRUCTIONS

Выбрано товаров: 49