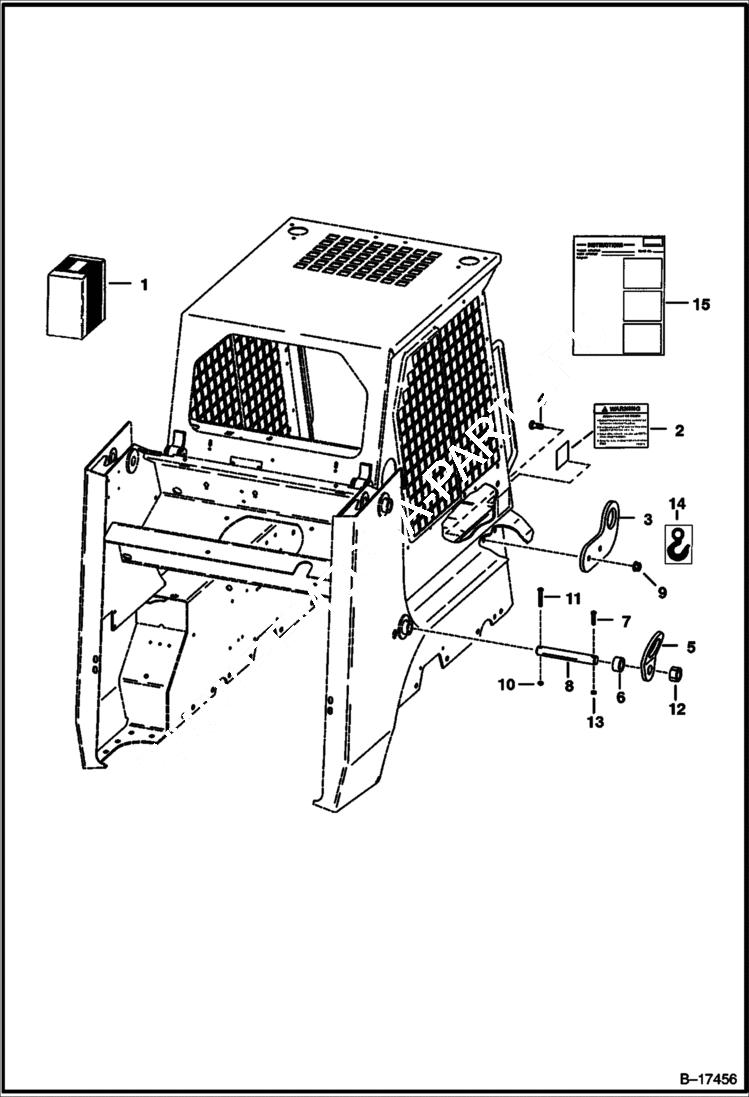
Запчасти Bobcat 700s LIFT KIT (Four Point - .75 Thick Front & Rear Lift Eyes) ACCESSORIES & OPTIONS

Схема запчастей Bobcat 700s - LIFT KIT (Four Point - .75 Thick Front & Rear Lift Eyes) ACCESSORIES & OPTIONS
FIT
1:1
100%

Артикул

Название

Примечание

Количество

1

KIT See Illustration LIFT KIT/ TS1198 NLA - Ref. 2-15 - Order 6725224 Kit - Was 6707000 - A

2

6702916

DECAL warning

3

6706826

LIFT EYE front

4

17C1028

BOLT

5

6706825

LIFT EYE rear

6

6702921

SPACER

7

17C540

BOLT

8

6706807

PIN

9

83D10

NUT 5

10

85D6

NUT, 5

11

17C640

BOLT 5

12

4D20

NUT

13

87D5

NUT

14

6533898

DECAL hook

15

6722872

INSTRUCTIONS

Выбрано товаров: 15