Качественные детали и логистика
Оригинальные и аналоговые запчасти с доставкой по России, Казахстану и Беларуси
©2022 PartSell ООО "Система" ИНН 2463123282 ОГРН 1212400004838
Центральный офис: г. Красноярск, Академика Киренского, д.87, пом.4
Телефон: 8 (800) 777-65-74 Email: zakaz@partsell.ru
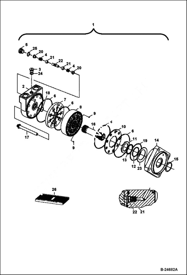
HYDROSTATIC MOTOR
№
Артикул
Название
Примечание
Количество
1
6681605
MOTOR, DRIVE HYD Ref. 2-25 - Model 161-0079-005
2
6689697
HOUSING, MOTOR W/Ref. 3 & 24
3
6668079
PLUG, MOTOR W/Ref. 24
4
6513533
SPRING Was 6692528 - A
5
6668089
PLUG, MOTOR W/Ref. 25
6
6678000
SEAL
7
6689698
PLATE valve
8
6691343
GEROLER
9
6651542
BALL, STEEL
10
6689700
PLATE balancing - outer
11
6678004
PLATE balance - inner
12
6682860
O-RING
13
6678006
RING, BACK-UP
14
6693333
FLANGE mounting
15
25K30202
O RING 10
16
6682862
SHAFT, DRIVE
17
6686404
BOLT
18
6669452
19
6682897
20
6685065
SHUTTLE
21
6513532
POPPET Was 6692530 Was 6692530 - A
22
6668088
PISTON shuttle - W/flat - fast acting - Was 6685066 - A
23
6685069
RING,BACK-UP back-up
24
79K5
25
79K6
26
6686403
SEAL KIT W/Ref. 6, 12, 13, 15, 18, 19 & 24
Выбрано товаров: 0