Запчасти Bobcat 700s MAIN FRAME MAIN FRAME

Схема запчастей Bobcat 700s - MAIN FRAME MAIN FRAME
FIT
1:1
100%

Артикул

Название

Примечание

Количество

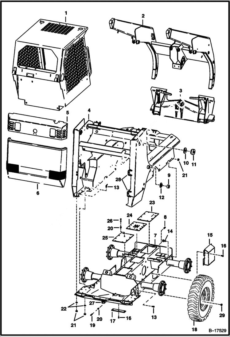
1

6701957

OPERATOR CAB See Illustration OPERATOR CAB/ TS1205 Does Not include cab decals

2

6706848

LIFT ARM See Illustration LIFT ARMS & BOBTACH/ B17343

3

BOB-TACH See Illustration BOB-TACH/ PE1526 SALES

4

MAIN FRAME See BTI316 NLA - Was 6706842 - A

4

MAIN FRAME See BTI316 NLA - Was 6712403 - A

5

6703868

HOOD See Illustration ENGINE & ATTACHING PARTS/ E2168 See Illustration REAR DOOR/ TS1015

6

6704639

REAR DOOR See Illustration REAR DOOR/ TS1015

7

CHAINCASE See Illustration DRIVE TRAIN/ B17290 See BTI313 - WAS 6701646 - A

8

6731121

PLUG chaincase fill - Was 11F-12 - A

9

6705047

BUSHING weld on

10

6702409

BUSHING weld on

11

6702959

BUSHING weld on

12

6707494

BUSHING weld on - Was 6702132 - A

13

31C824

BOLT 10

14

31C820

BOLT

15

6703205

COVER

16

84G3712

BOLT 5

17

6700182

COVER, DRAIN

18

TIRE & RIMS See Illustration TIRES & RIMS/ B17323

19

6599645

PLUG, STEEL chaincase drain

20

6553411

BUSHING

21

83D8

NUT 5

22

6701097

WASHER

23

6578505

COVER See Illustration DISC BRAKE/ B17531

24

6706278

COVER See Illustration DISC BRAKE/ B17531

25

6700330

COVER See Illustration DISC BRAKE/ B17531

26

6680970

BREATHER See Illustration DISC BRAKE/ B17531 Was 6670627 - A

27

6706485

HOOK tie down - weld-on - front & back

28

6577394

BRACKET hinge - weld on

29

6564669

NUT, 10 wheel

Выбрано товаров: 30