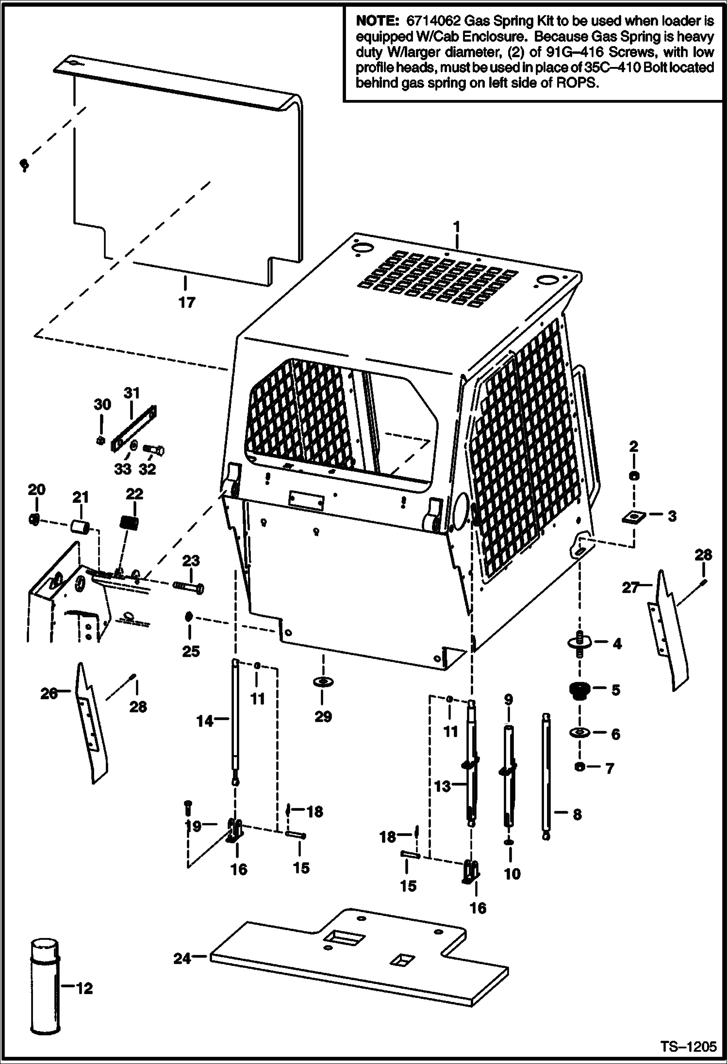
Запчасти Bobcat 700s OPERATOR CAB MAIN FRAME

Схема запчастей Bobcat 700s - OPERATOR CAB MAIN FRAME
FIT
1:1
100%

Артикул

Название

Примечание

Количество

1

6701957

OPERATOR CAB Does Not include cab decals

2

59D8

NUT 5

3

6553709

WASHER

4

6702971

BOLT

5

6560633

DAMPENER

6

6515817

WASHER

7

85D8

NUT, 5

8

6664205

GAS SPRING also order 6675257, clevis

8

6675257

CLEVIS

9

6708189

TUBE stop - Was 6701175 - A

10

6701174

WASHER

11

6567604

SPACER

12

6652818

ADHESIVE insulation - 24 oz. spray can

13

GAS SPRING NLA - Order Ref. 8-10

14

6700171

GAS SPRING w/o lock - also order 6675257, clevis - Was 6706590 - A

14

6714062

KIT heavy duty gas spring - W/O lock - SEE NOTE

14

91G416

SCREW SEE NOTE - Was 91G-410 - B,D

14

6900531

INSTRUCTIONS For 6714062 Kit

15

6567743

PIN

16

6706349

MOUNT

17

6706569

INSULATION seat back - Use W/Ref. 12

18

6631418

RING, RETAINING

19

84G3112

BOLT 5

20

53D10

NUT Was 83D000010B - B

21

6562602

BUSHING rubber

22

6579613

STOP cab tilt

23

17C1056

BOLT

24

6715095

INSULATION seat pan - Use W/Ref. 12 - Was 6705095 - D

25

6664374

PLUG heater hole

26

6707380

SHIELD L.H.

27

6707385

SHIELD See Illustration COOLING SYSTEM/ B17415

28

6630207

RIVET 5

29

6571991

GUIDE spacer - Was 6707318 - A

30

83D4

NUT 10

31

6736126

COVER

32

35C410

BOLT 5

33

25E25

WASHER 10

Выбрано товаров: 37