Качественные детали и логистика
Оригинальные и аналоговые запчасти с доставкой по России, Казахстану и Беларуси
©2022 PartSell ООО "Система" ИНН 2463123282 ОГРН 1212400004838
Центральный офис: г. Красноярск, Академика Киренского, д.87, пом.4
Телефон: 8 (800) 777-65-74 Email: zakaz@partsell.ru
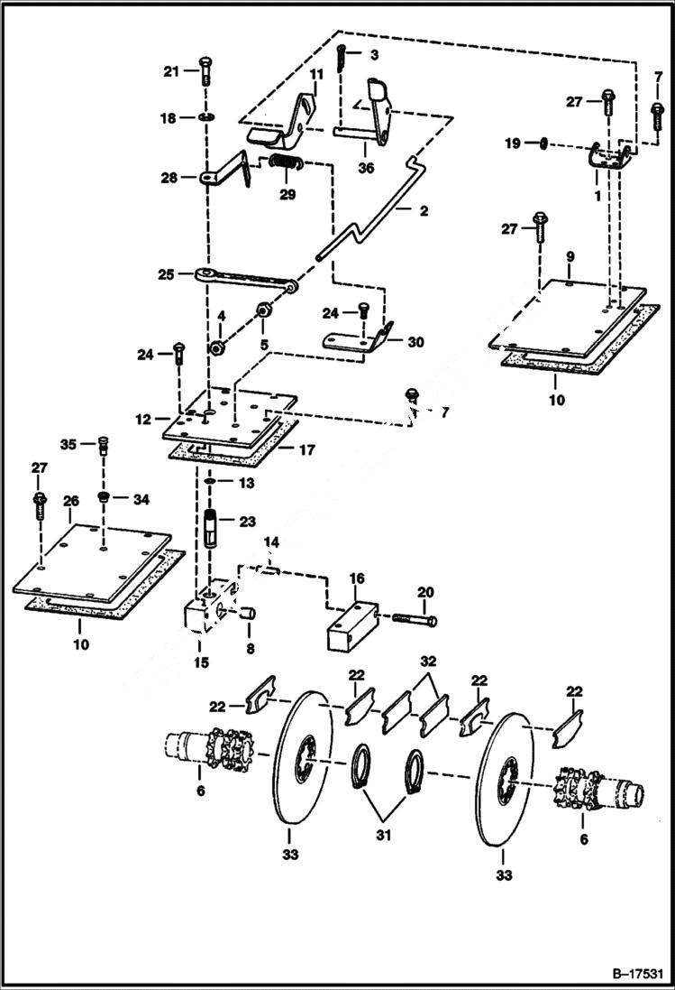
DISC BRAKE
№
Артикул
Название
Примечание
Количество
1
6700073
PEDAL MOUNT
2
6704809
ROD
3
1318565
COTTER PIN
4
85D8
NUT, 5
5
6564669
NUT, 10
6
6705065
SHAFT, TRANS See Illustration MOTOR CARRIER/ MC1937
7
84G3716
SCREW 5
8
6569927
PIN
9
6578505
COVER
10
6703097
GASKET, TRANS COVER
11
6704811
PEDAL brake
12
6706278
13
25K30100
O RING 10
14
6571796
SPACER
15
6571795
BLOCK
16
6571794
17
6703098
GASKET
18
6506477
WASHER
19
25E25
WASHER 10
20
17C880
BOLT
21
17C820
22
6700706
PAD
23
6569842
CAM PIN
24
17C824
BOLT 5
25
6563823
LEVER
26
6700330
27
84G3712
28
6701626
BRACKET
29
6584584
SPRING
30
6701627
31
6658672
SNAP RING
32
6702805
33
6702792
DISC
34
6553411
BUSHING
35
6680970
BREATHER Was 6670627 - A
36
6704812
Выбрано товаров: 0