Запчасти Bobcat 700s HYDRAULIC CONTROL VALVE HYDRAULIC SYSTEM

Схема запчастей Bobcat 700s - HYDRAULIC CONTROL VALVE HYDRAULIC SYSTEM
FIT
1:1
100%

Артикул

Название

Примечание

Количество

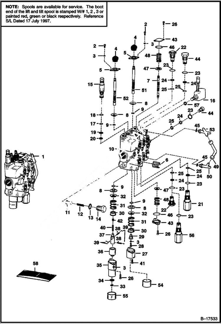
1

VALVE See BTI307 NLA - REF. 2-55 - W/LONG SPOOLS - SEE NOTE - WAS 6588264 - A

2

6588165

SCREW

3

22E4

WASHER

4

6587763

BOOT

5

6592123

RETAINER

6

6534630

RESTRICTOR .134/.141

7

6588074

SPOOL auxiliary - SEE NOTE

8

6538466

BUSHING

9

6665089

SEAL See BTI374 lip seal - Was 6659554 - A

9

6646372

SEAL See BTI374 quad ring seal

10

BODY NSS

11

6592115

SEAT

12

6592117

SPRING, LOAD CHECK

13

79K8

O RING 10

14

6592116

NUT load check

15

VALVE NLA - main relief - W/Ref. 17 - 20 - 2950-3050 PSI - Pressure preset at factory - Was 6676197 - A

15

7219324

VALVE, RELIEF W/ O-rings - pressure to be set in field - Was 6686360 - A

16

6653395

VALVE, SOLENOID solenoid - W/Ref. 57

16

6665758

VALVE W/Ref. 57

16

6717708

COIL, 14 VOLT 14 volt - W/Nut - Was 6665759 - A

16

6679961

NUT

16

6586459

SEAL KIT

17

58K017

O-RING 10

18

6665569

WASHER back-up

19

25K20016

O RING 10

20

6665570

RING glide

21

6599161

RELIEF VALVE port relief - 3400-3600 PSI - W/Ref. 23-25

22

6667549

VALVE anti-cavity check - W/Ref. 23-25 - Was 6661345 - A

23

79K10

O RING 10

24

80K14

BACK-UP WASHER Was 73K000014B - B

25

58K014

O-RING 10 back-up washer required

25

6677106

O-RING back-up washer NOT required

26

6588982

SCREW

27

7101345

BONNET, DETENT HYD VALVE Was 6587633 - A

28

6588166

SCREW

29

6592109

ADAPTER

30

6592100

COLLAR

31

6587580

SPRING

32

7211397

WASHER, SPRING Was 6587523 - A

33

799119

RING

34

6592098

WASHER

35

6592094

BONNET

36

6531270

SLEEVE, DETENT lift

37

6587575

ADAPTER

38

6592107

SPRING

39

6592105

BALL

40

6586918

SCREW

41

69G414

BOLT Was 6588164 - A

42

PLUG NLA - plastic - Order 6596807 Plug & 54K020002B O-Ring - Was 6592752 - A

42

6596807

PLUG plastic - 0.46'' long

42

54K20002

O'RING 10

43

6588981

END CAP

44

6592720

PLUG W/Ref. 23-25

45

79K6

O RING 10

46

58K124

O RING 10

47

6537096

WASHER

48

6530899

SPRING

49

6577690

TUBE

50

TEE NLA - W/Ref. 45 - W/O flared end O-rings - Was 6587889 - A

50

6805243

TEE W/Ref. 45 - W/ flared end O-rings

50

97K6

O RING

51

6666579

SPOOL tilt - # 1 or Red - SEE NOTE

51

6666580

SPOOL tilt - # 2 or Green - SEE NOTE

51

6666581

SPOOL tilt - # 3 or Black - SEE NOTE

52

6666576

SPOOL lift - #1 or red - SEE NOTE

52

6666577

SPOOL lift - #2 or green - SEE NOTE

52

6666578

SPOOL lift - (3) black - SEE NOTE

53

CONNECTOR NLA - W/Ref. 45 - W/O flared end O-rings - Was 6588188 - A

53

6817553

CROSS W/Ref. 45 - W/ flared end O-rings - Was 6805241 - A

53

97K6

O RING

54

6662848

CAP

55

6631704

CAP

56

6664373

VALVE optional port relief & anti-cav. - W/Ref. 23 - 2500 PSI - use in tilt cylinder base end port

57

79K7

O RING 10

58

6816250

KIT, SEAL See BTI374 - Ref. 2, 4, 9, 41 & 42 - for one spool - Was 6803605 - A

58

6632279

KIT, SEAL Ref. 17 - 20

58

6809425

SEAL KIT Ref. 13 & 23-25 - Was 6586461 - A

58

6816715

KIT, SEAL See BTI374 - Ref. 4, 9, 13, 17-20, 23-25, 42, 45, 46 & 57 - Was 6596311 - A

Выбрано товаров: 78