Запчасти Bobcat 700s CONTROLS ELECTRICAL ELECTRICAL SYSTEM

Схема запчастей Bobcat 700s - CONTROLS ELECTRICAL ELECTRICAL SYSTEM
FIT
1:1
100%

Артикул

Название

Примечание

Количество

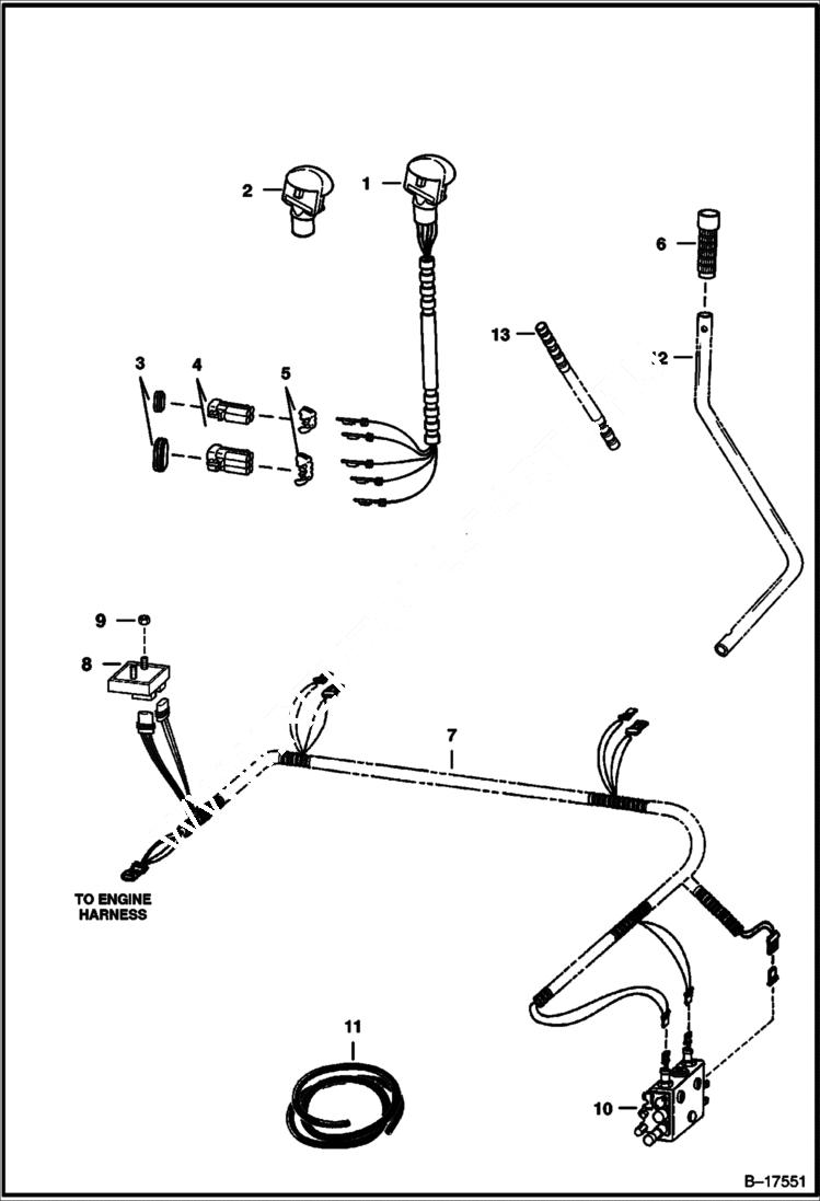
1

6680414

HANDLE ASSY. R.H. - Also Order Ref. 3 & 4 - Was 6705921 - A

1

6640690

PIN

1

6641176

SEAL

2

6680415

HANDLE LH blank - Was 6705920 - A

2

6680415

HANDLE L.H. - blank - Use W/ O B.O.S.S. Option - Was 6705920 - A

3

6649683

SEAL For Use W/2-pin connector

3

6659553

SEAL For Use W/3-pin connector

4

6641179

CONNECTOR 2-pin

4

6640699

CONNECTOR 3-pin

5

6641180

LOCK Use W/ 2-pin connector

5

6640700

LOCK 3-pin

6

6702621

GRIP

7

6702999

HARNESS

8

6671669

MODULE, CONTROL AUX aux. control - Was 6669529 - C

9

85D4

NUT 5

10

VALVE See Illustration HYDRAULIC CONTROL VALVE/ B17533

11

6584978

CONDUIT bulk - sold per foot

12

LEVER See Illustration HAND CONTROLS/ B17534

13

CONDUIT NLA - Order Ref. 11 - 36 in. (914,4 mm) long

Выбрано товаров: 19