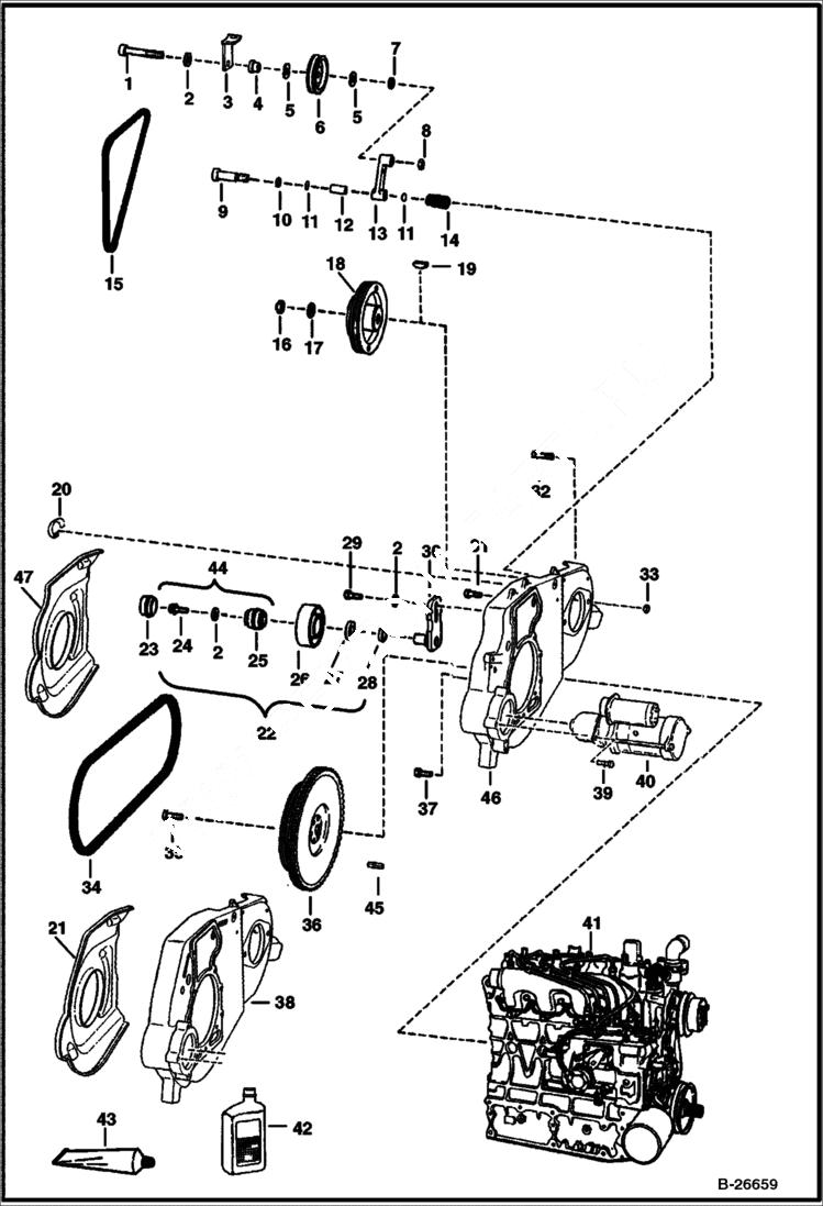
Запчасти Bobcat 700s ENGINE & ATTACHING PARTS (Belt Drive System - W/Fixed Idler) POWER UNIT

Схема запчастей Bobcat 700s - ENGINE & ATTACHING PARTS (Belt Drive System - W/Fixed Idler) POWER UNIT
FIT
1:1
100%

Артикул

Название

Примечание

Количество

1

73G656

SCREW

2

6704484

WASHER thrust

3

6702474

RETAINER fan drive idler belt

4

6704443

BUSHING spacer

5

6660995

GREASE RING grease

6

6662997

PULLEY, FAN DRIVE IDLER fan drive idler

7

6704444

WASHER

8

61D6

NUT 5

9

38C820

SCREW shoulder

10

6655781

BEARING

11

6704820

O-RING

12

BEARING NLA - bronze - Was 6655780 - A

12

6670682

BEARING nylon

13

6725212

ARM W/Ref. 12 - Was 6703507 - A

14

6700115

SPRING, TORSION

15

BELT See Illustration COOLING SYSTEM/ B17415 FAN DRIVE

16

92D12

NUT

17

6576033

WASHER

18

6704424

PULLEY, PUMP HYD to hyd. pump - 3 groove

19

6J807

KEY, WOODRUFF

20

6703022

CLIP

21

6704450

SHIELD

22

IDLER ASSY. See Illustration ENGINE & ATTACHING PARTS/ B17449 NLA - fixed - Ref. 2, 23-28 & 30 - Order 6711698 spring loaded idler assy. & 6709030 decal - Was 6708376 - A

23

6660967

CAP grease

24

35C612

BOLT

25

BEARING NLA - Order Ref. 44

26

6704416

PULLEY idler - Also Order Ref. 44

27

6661066

SEAL Also Order Ref. 28

28

6661070

SLEEVE wear - Also Order Ref. 27

29

17C620

BOLT

30

6708625

BRACKET Was 6705447 - A

31

6CM1230

BOLT

32

17C828

BOLT hyd pump mount

33

85D8

NUT, 5

34

6660994

BELT, DRIVE pump drive - 3 groove

35

6598275

BOLT Was 6652487 - A

36

6704874

FLYWHEEL ASSY. 3 groove - W/Ring Gear & Ref. 45

36

6510470

RING GEAR

37

5CM1025

BOLT

38

MOUNT NLA - Order Ref. 46 & 47 - It may be necessary to reposition the battery and battery pan - Was 6700541 - A

39

35C620

BOLT 5

40

STARTER See Illustration STARTER/ D2119

41

ENGINE See Illustration ENGINE & GASKET KITS/ B16450

42

6661405

OIL W/Ref. 22 & 24

43

6633583

SEALANT, POLYURETHANE 300 ML Use W/Ref. 23, 26, 28 & 30

44

6722248

REPAIR KIT bearing - Ref. 23, 25, 27 & 28

45

6713370

PIN Was 14J001808B - B

46

6728062

MOUNT

47

6726938

SHIELD

Выбрано товаров: 49