Запчасти Bobcat 700s EUROPEAN ACCESSORIES ACCESSORIES & OPTIONS

Схема запчастей Bobcat 700s - EUROPEAN ACCESSORIES ACCESSORIES & OPTIONS
FIT
1:1
100%

Артикул

Название

Примечание

Количество

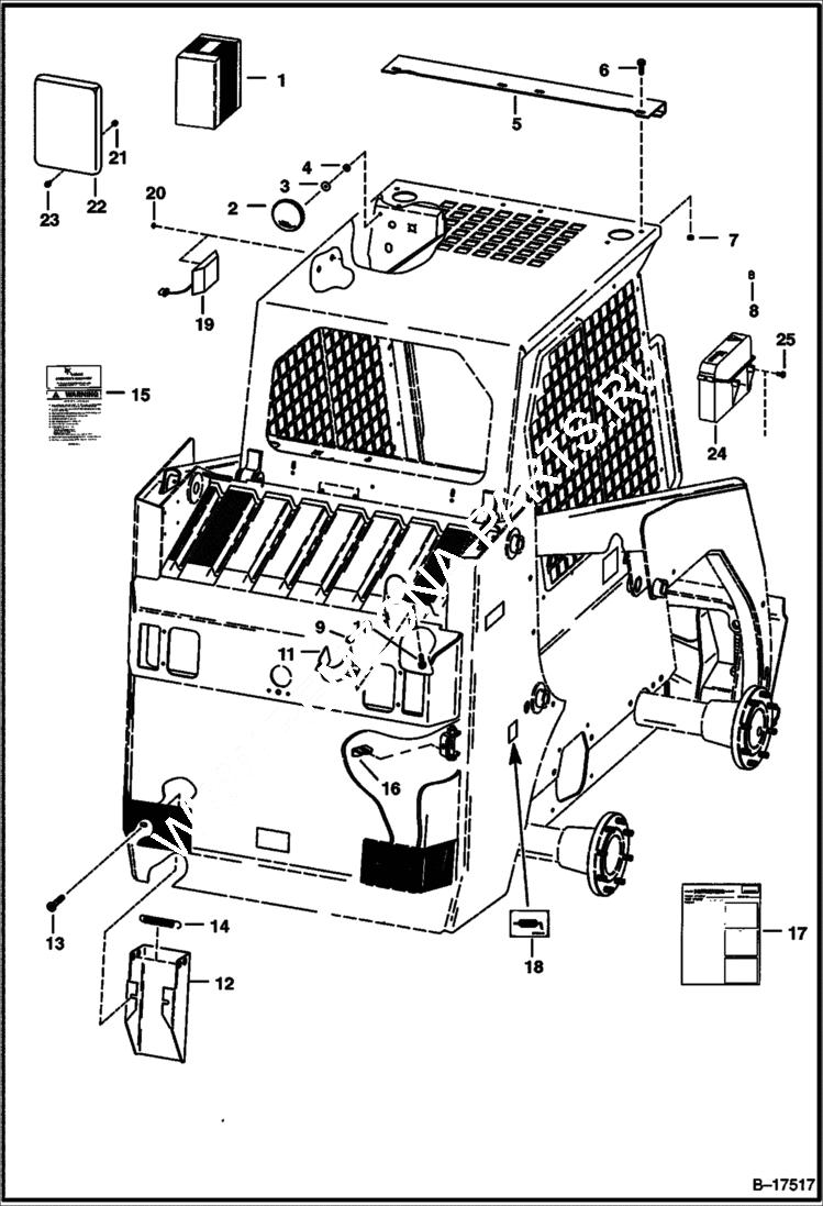
1

KIT SALES - Export Accessories - Ref. 2-18

2

6653388

MIRROR convex

3

6518952

WASHER .26 in. I.D. - 1 in. O.D.

4

25E13

WASHER 5 .25 in. I.D. - .75 in. O.D.

5

6701852

SHIELD

6

35C616

BOLT 5

7

61D6

NUT 5

8

COVER NLA - Order Ref. 18 - grease

9

57D4

NUT

10

35C412

BOLT

11

6709092

SHIELD exhaust - Use W/Steel Hood - Was 6704653 - A

12

6709379

TOOL HOLDER Was 6705100 - A

13

9G636

BOLT 5

14

6700743

SPRING

15

6704832

HANDBOOK 6 Language Operator

16

6701883

STOP tailgate

17

6722300

INSTRUCTIONS W/Ref. 12-14

18

6705340

DECAL, GREASE

19

6680326

LIGHT dome - Was 6664368 - A

19

6665367

BULB

19

6665353

SWITCH

20

6664221

RETAINER snap in

21

83D4

NUT 10

22

6633394

CONTAINER manuals

23

35C410

BOLT 5

24

6708827

CONTAINER manuals

25

6702642

SCREW

Выбрано товаров: 27