Запчасти Bobcat 700s OPERATOR CAB MAIN FRAME

Схема запчастей Bobcat 700s - OPERATOR CAB MAIN FRAME
FIT
1:1
100%

Артикул

Название

Примечание

Количество

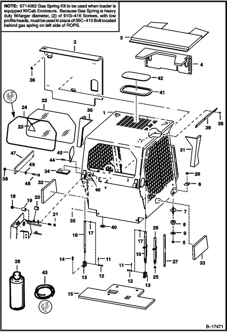
1

6701957

OPERATOR CAB does NOT include cab decals - Also Order (2) of Ref. 40 - Was SALES - D

2

6706569

INSULATION seat back - Use W/Ref. 28 - Was 6701553 - A

2

6708682

INSULATION seat back-shown - Use W/Ref. 36 - Was 6705816 - A

3

6701519

INSULATION cab top - Use W/Ref. 28

3

6706155

INSULATION cab top - held in place by side window rail & top window seal

4

6701658

INSULATION control panel - Use W/Ref. 28

5

85D8

NUT, 5

6

6553709

WASHER

7

6702971

BOLT Was 6568398 - A

8

6560633

DAMPENER

9

6515817

WASHER

10

GAS SPRING NLA - Order Ref. 25-27 - Was 6701176 - A

11

6631418

RING, RETAINING

12

6567743

PIN

13

6706349

MOUNT Was 6576340 - A

14

84G3112

BOLT 5

15

6706982

INSULATION seat pan - Use W/Ref. 28 - Was 6700286 - A

16

6700171

GAS SPRING w/o lock - also order 6675257, clevis - Was 6706590 - A

16

6714062

KIT W/O lock - heavy duty gas spring - SEE NOTE

16

91G416

SCREW SEE NOTE - Was 91G000410B - B

17

6567604

SPACER

18

53D10

NUT Was 83D000010B - B

19

6562602

BUSHING rubber

20

6579613

STOP cab tilt

21

17C1056

BOLT

22

WIND.REAR NLA - Order 6729730 window - Also Order 2134mm (84'') of 6675387 seal and 6554149 cord - Was 6701651 - A

23

6731478

EXIT TAG Was 6559515 - A

24

MOULDING NLA - Order Ref. 43 - 81.5'' (2070,1 mm) long

24

CORD NLA - Order Ref. 43 - 81.5'' (2070,1 mm) long - Also Order Ref. 23 (6731478 exit tag)

25

6701174

WASHER

26

6708189

TUBE stop - Was 6701175 - A

27

6664205

GAS SPRING also order 6675257, clevis - Was 6655389 - A

27

6675257

CLEVIS

28

6652818

ADHESIVE insulation - 24 oz. spray can - Was 6632469 - A

29

59D8

NUT 5

30

6703449

INSULATION cab back - Use W/Ref. 28

30

6715098

INSULATION cab back - Use W/Ref. 36 - Was 6706156 - A

31

6703450

INSULATION cab back - Use W/Ref. 28

31

6715097

INSULATION cab back - Use W/Ref. 36 - Was 6706157 - A

32

6703451

INSULATION cab back - Use W/Ref. 28

33

6703452

INSULATION cab back - Use W/Ref. 28

34

6703455

INSULATION cab back - Use W/Ref. 28

35

6664374

PLUG heater hole

36

6664310

CLIP insulation

37

35C410

BOLT 5

38

83D4

NUT 10

39

6703159

TRACK RH

39

6703160

TRACK LH

40

6571991

GUIDE spacer - for seat rear mounting bolts - Was 6707318 - A

41

6664351

SEAL Use W/cab headliner

41

6665012

SEAL Use W/O cab headliner

42

6705735

WINDOW

43

6665568

EXTRUSION bulk - sold per foot - Was 6658352 - B

43

6554149

CORD, BULK/FT bulk - sold per foot

44

17C512

BOLT 5

45

6707879

COVER for BICS cab

46

83D5

NUT 5

47

6736126

COVER

48

35C410

BOLT 5

49

25E13

WASHER 5

Выбрано товаров: 60