Запчасти Bobcat 700s MAIN FRAME MAIN FRAME

Схема запчастей Bobcat 700s - MAIN FRAME MAIN FRAME
FIT
1:1
100%

Артикул

Название

Примечание

Количество

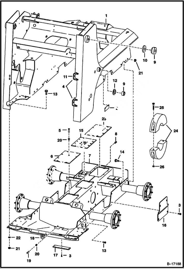
1

MAIN FRAME See BTI316 NLA - two piece rear door - Was 6708984 - A

1

MAIN FRAME NLA - one piece rear door - Order 6737360 Main Frame, 6736359 Grill, 6736362 Radiator, 6736378 Seal, 6736379 Tank, 7101090 Hose, 6681945 Elbow, 6685625 Hose, 6732870 Mount, 6733429 Cap, 673

1

6737360

MAINFRAME

2

6704680

COVER See Illustration HYDROSTATIC CIRCUITRY/ E2227

3

84G3712

BOLT 5

4

6708987

HINGE, WELD-ON for 2-piece rear door

4

6708987

HINGE, WELD-ON for 1-piece rear door

5

6680970

BREATHER See Illustration DISC BRAKE/ TS1455 Was 6670627 - A

6

6700330

COVER

7

CHAINCASE See Illustration DRIVE TRAIN/ B17194 See BTI373 NLA - Was 6712827 - A

8

6731121

PLUG chaincase fill - Was 11F12 - A

9

6702584

BUSHING, WELD-ON weld on

10

6702583

BUSHING, WELD-ON

11

6577394

BRACKET hinge - weld on - for two piece rear door

12

6555987

BUSHING weld on

13

31C824

BOLT 10

14

31C820

BOLT

14

31C820

BOLT

15

6706042

COVER See Illustration DISC BRAKE/ TS1455

16

6733701

COVER Was 6704695 - A

17

6700182

COVER, DRAIN

18

6706485

HOOK tie down - weld-on

19

6599645

PLUG, STEEL chaincase drain

20

6553411

BUSHING

21

83D8

NUT 5

21

83D8

NUT 5

22

6701097

WASHER

23

6578505

COVER See Illustration DISC BRAKE/ TS1455

24

6714361

COUNTERWEIGHT, AXLE front - 71,6 kg (38.7 lb) - 114,3 mm (4.5'') wide

25

17C640

BOLT 5

26

61D6

NUT 5

Выбрано товаров: 31